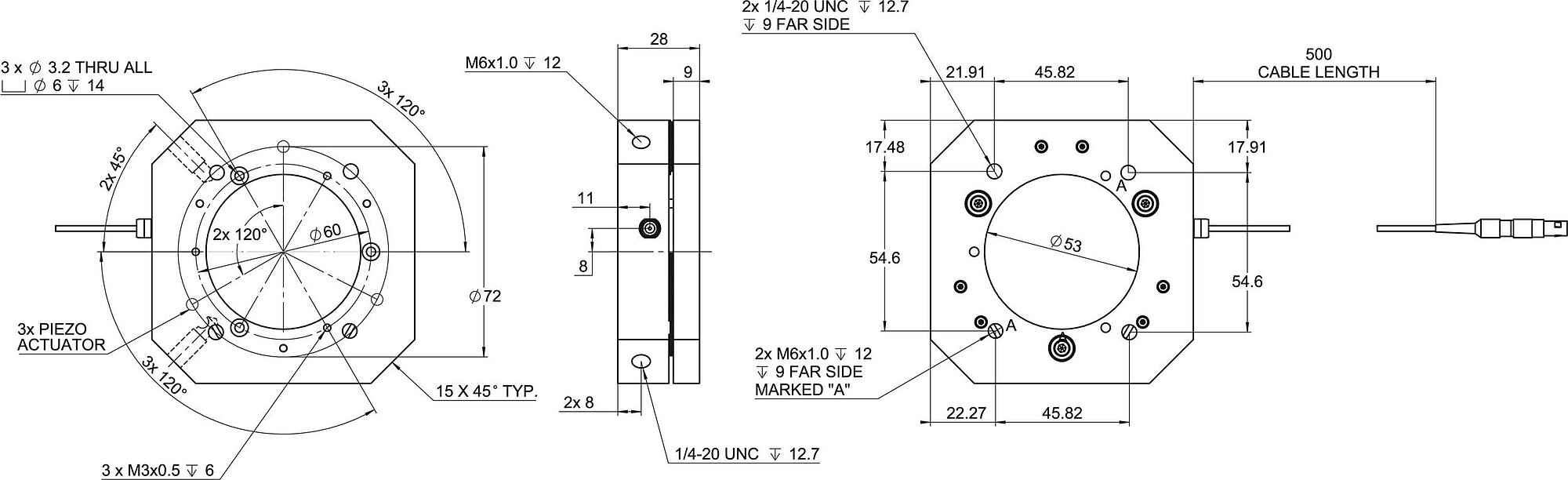
Phase shifter for optics, with tip/tilt error correction; 15 µm travel range (open loop); clear aperture, Ø 53 mm; bare wire strands; 0.5 m cable length
S-312 Phase Shifter for Optics
High-Resolution Open-Loop Z Stage for Optical or Interferometer Applications
- Piezo Z stage for horizontally or vertically mounted optics
- 5 clear aperture sizes to choose from: 53 mm to 311 mm
- Low-profile stage
- Tripod piezo drive design provides Z motion with tilt error correction
- Custom models available, i.e., closed-loop stages
Product overview
S-312 piezo phase shifters are precision nanopositioning stages engineered for optical phase shifting in advanced interferometry applications. Providing smooth motion with subnanometer resolution and millisecond responsiveness, these stages enable precise shifting of interference fringes for phase analysis. Typically integrated into interferometers but also suitable for other optical applications, the S-312 piezo stages are ideal for both research and industrial metrology.
Operation
The compact tripod piezo-drive design incorporates three long-life PICMA® piezo actuators, spaced at 120° intervals. When controlled jointly, they provide linear motion along the optical axis. Individual control is also possible for tip/tilt error correction or bias adjustment. The combination of responsiveness, resolution, and reliability makes the S-312 optical phase shifters a robust solution for demanding optical measurement and phase-shifting interferometry tasks.
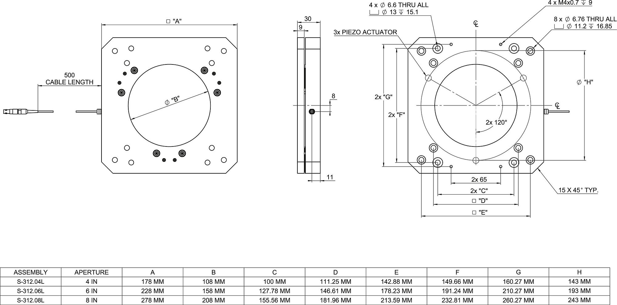
Models and aperture sizes
The S-312 family includes five clear-aperture sizes:
- Ø 53 mm
- Ø 108 mm
- Ø 158 mm
- Ø 208 mm
- Ø 311 mm
Electronics and control
The piezo stages are equipped with open-loop piezo actuators that only require a low-noise driver with an output range of 0 V to 100 V, corresponding to 0 µm to 15 µm of linear motion along the optical axis. For linear-only motion, models with standard LEMO connectors can be directly plugged into a PI piezo driver, such as the E-836. For additional tip/tilt error correction, three independent driver channels are required to control each piezo actuator separately. In this case, models with bare wire strands should be selected to provide individual access to the actuators.
Variants and accessories
- LEMO 1-pole connector for Z motion (LEMO FFA.00.250.CTAC22)
- Pigtails without connector for individual actuator control (Z, tip/tilt)
- Optional cables: P-890 LEMO/solderable end, P-891 extension cables
Application fields
The S-312 piezo stage series is ideally suited for interferometry and other optical circuit applications that require precise incremental motion in the nanometer range. Its piezo actuator and flexure design ensures a lifetime of billions of cycles, with configurations available for both vacuum and cleanroom environments.
Specifications
Specifications
| Motion | S-312.02 | S-312.02L | S-312.04 | S-312.04L | S-312.06 | S-312.06L | S-312.08 | S-312.08L | S-312.12 | S-312.12L | Tolerance |
|---|---|---|---|---|---|---|---|---|---|---|---|
| Active axes | Z ǀ θX ǀ θY | Z | Z ǀ θX ǀ θY | Z | Z ǀ θX ǀ θY | Z | Z ǀ θX ǀ θY | Z | Z ǀ θX ǀ θY | Z | |
| Travel range in Z, open loop, at 0 to 100 V | 15 µm | 15 µm | 15 µm | 15 µm | 15 µm | 15 µm | 15 µm | 15 µm | 15 µm | 15 µm | ±20 % |
| Positioning | S-312.02 | S-312.02L | S-312.04 | S-312.04L | S-312.06 | S-312.06L | S-312.08 | S-312.08L | S-312.12 | S-312.12L | Tolerance |
| Resolution in Z, open loop | 0.5 nm | 0.5 nm | 0.5 nm | 0.5 nm | 0.5 nm | 0.5 nm | 0.5 nm | 0.5 nm | 0.5 nm | 0.5 nm | typ. |
| Drive properties | S-312.02 | S-312.02L | S-312.04 | S-312.04L | S-312.06 | S-312.06L | S-312.08 | S-312.08L | S-312.12 | S-312.12L | Tolerance |
| Drive type | PICMA® | PICMA® | PICMA® | PICMA® | PICMA® | PICMA® | PICMA® | PICMA® | PICMA® | PICMA® | |
| Operating voltage | -20 to +120 V | -20 to +120 V | -20 to +120 V | -20 to +120 V | -20 to +120 V | -20 to +120 V | -20 to +120 V | -20 to +120 V | -20 to +120 V | -20 to +120 V | |
| Electrical capacitance in Z | 4.5 µF | 4.5 µF | 4.5 µF | 4.5 µF | 4.5 µF | 4.5 µF | 4.5 µF | 4.5 µF | 4.5 µF | 4.5 µF | ±20 % |
| Mechanical properties | S-312.02 | S-312.02L | S-312.04 | S-312.04L | S-312.06 | S-312.06L | S-312.08 | S-312.08L | S-312.12 | S-312.12L | Tolerance |
| Resonant frequency in Z, unloaded | — | — | 560 Hz | 560 Hz | 320 Hz | 320 Hz | — | — | — | — | ±20 % |
| Resonant frequency in Z, under load with maximum payload | — | — | 70 Hz | 70 Hz | 45 Hz | 45 Hz | — | — | — | — | ±20 % |
| Maximum load capacity | 15 kg | 15 kg | 15 kg | 15 kg | 15 kg | 15 kg | 15 kg | 15 kg | 15 kg | 15 kg | |
| Mass without cable | — | — | 1.8 kg | 1.8 kg | 2.5 kg | 2.5 kg | — | — | — | — | |
| Material | Aluminum | Aluminum | Aluminum | Aluminum | Aluminum | Aluminum | Aluminum | Aluminum | Aluminum | Aluminum | |
| Aperture diameter | 53 mm | 53 mm | 108 mm | 108 mm | 158 mm | 158 mm | 208 mm | 208 mm | 311 mm | 311 mm | |
| Miscellaneous | S-312.02 | S-312.02L | S-312.04 | S-312.04L | S-312.06 | S-312.06L | S-312.08 | S-312.08L | S-312.12 | S-312.12L | Tolerance |
| Operating temperature range | -20 to 80 °C | -20 to 80 °C | -20 to 80 °C | -20 to 80 °C | -20 to 80 °C | -20 to 80 °C | -20 to 80 °C | -20 to 80 °C | -20 to 80 °C | -20 to 80 °C | |
| Connector | Bare wire strands | LEMO FFS.00.250.CTCE24 | Bare wire strands | LEMO FFS.00.250.CTCE24 | Bare wire strands | LEMO FFS.00.250.CTCE24 | Bare wire strands | LEMO FFS.00.250.CTCE24 | Bare wire strands | LEMO FFS.00.250.CTCE24 | |
| Cable length | 0.5 m | 0.5 m | 0.5 m | 0.5 m | 0.5 m | 0.5 m | 0.5 m | 0.5 m | 0.5 m | 0.5 m | |
| Recommended controllers/drivers | E-836 | E-836 | E-836 | E-836 | E-836 | E-836 | E-836 | E-836 | E-836 | E-836 |
Note on active axes: in the direction of the optical axis, with tilt error correction
Note on resolution in Z: Resolution is limited by the amplifier noise level. Value shown assumes typical PI amplifier.
Note on maximum load capacity: with the optical axis in any direction relative to gravity
Note on resonant frequency: engineering FEA (Finite Element Analysis) estimate
Note on electrical capacitance: 1,5 µF per piezo actuator. Small-signal capacitance measured at 1 Vpp, 1 kHz, room temperature, tolerance ±20 %
Open-loop piezo actuators typically have 15 % hysteresis and 3 % creep over the first 100 s. The stage is designed for incremental motion.
Specifications are continuously updated and are subject to change without notice. '-' indicates that this data is not yet available.
At PI, technical data is specified at 22 ±3 °C. Unless otherwise stated, the values are for unloaded conditions. Some properties are interdependent. The designation "typ." indicates a statistical average for a property; it does not indicate a guaranteed value for every product supplied. During the final inspection of a product, only selected properties are analyzed, not all. Please note that some product characteristics may deteriorate with increasing operating time.
Ask for a free quote on quantities required, prices, and lead times or describe your desired modification.
Phase shifter for optics; 15 µm travel range (open loop); clear aperture, Ø 53 mm; LEMO FFS.00.250.CTCE24; 0.5 m cable length
Phase shifter for optics, with tip/tilt error correction; 15 µm travel range (open loop); clear aperture, Ø 108 mm; bare wire strands; 0.5 m cable length
Phase shifter for optics; 15 µm travel range (open loop); clear aperture, Ø 108 mm; LEMO FFS.00.250.CTCE24; 0.5 m cable length
Phase shifter for optics, with tip/tilt error correction; 15 µm travel range (open loop); clear aperture, Ø 158 mm; bare wire strands; 0.5 m cable length
Phase shifter for optics; 15 µm travel range (open loop); clear aperture, Ø 158 mm; LEMO FFS.00.250.CTCE24; 0.5 m cable length
Phase shifter for optics, with tip/tilt error correction; 15 µm travel range (open loop); clear aperture, Ø 208 mm; bare wire strands; 0.5 m cable length
Phase shifter for optics; 15 µm travel range (open loop); clear aperture, Ø 208 mm; LEMO FFS.00.250.CTCE24; 0.5 m cable length
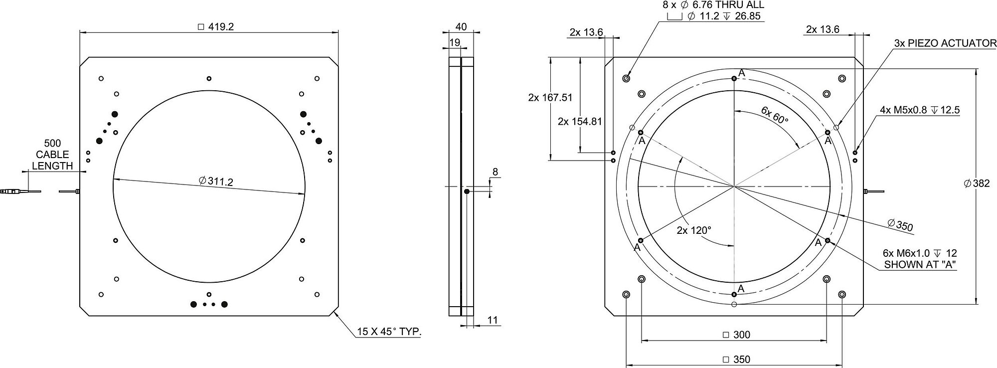
Phase shifter for optics, with tip/tilt error correction; 15 µm travel range (open loop); clear aperture, Ø 311 mm; bare wire strands; 0.5 m cable length
Phase shifter for optics; 15 µm travel range (open loop); clear aperture, Ø 311 mm; LEMO FFS.00.250.CTCE24; 0.5 m cable length










