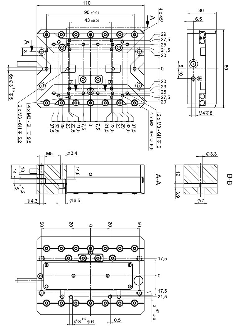
Linear stage with greatest force and precision; PICMAWalk; 25 mm travel range; 150 N load capacity; 12 mm/s maximum velocity; incremental linear encoder; 2 m cable length
N-332 Linear Stage with the Highest Force and Precision
PICMAWalk Drive for the Greatest Force and Longest Lifetime
- 75 N active force
- 3 nm minimum incremental motion
- Robust PICMAWalk technology for extreme durability
- Self-locking when switched off: Saves energy and reduces generation of heat
- Plug-and-play, thanks to PI proprietary controller technology
- UHV-compatible design
- Multi-axis setups possible: XY, XZ and XYZ





Application fields
- Scanning electron microscopy (SEM) / transmission electron microscopy (TEM) in life sciences and semiconductor manufacturing
- Highest-resolution microscopy, particularly 4Pi microscopy
- Nanoindentation
Outstanding lifetime due to PICMAWalk drive
PICMAWalk is the longest-lasting piezo-motorized drive principle on the market. The lifetime of the drives is verifiably more than 100 km under atmospheric conditions. Even under vacuum conditions, a cumulative lifetime of more than 30 km was reached, providing the reference for this class.
Nanometer precision and high feed force with PICMAWalk drives
In the PICMAWalk drive, several piezo actuators make a walking motion that leads to the feed of a runner. Control of the actuators enables the smallest step and forward feed movements with nanometer resolution.
In contrast to other piezo-motorized drive principles, PICMAWalk walking drives are not subject to sliding friction effects. They are based on stiction contacts of several piezo actuators that step along a runner. At rest, PICMAWalk walking drives are self-locking, consume no energy, and do not generate heat.
Highly accurate position measuring with incremental linear encoder
Noncontact optical linear encoders measure the position directly at the platform with the greatest accuracy. Nonlinearity, mechanical play or elastic deformation have no influence on the measurement.
Suitable for sophisticated vacuum applications
N-332.xxU/.xxUY models are designed for use in a vacuum. Piezo walking drives can also be used in cleanrooms or in environments with strong ultraviolet radiation.
Specifications
Specifications
| Motion | N-332.14 | N-332.14U | N-332.14Y | N-332.14UY | N-332.24 | N-332.24U | N-332.24Y | N-332.24UY | Tolerance |
|---|---|---|---|---|---|---|---|---|---|
| Active axes | X | X | X | X | X | X | X | X | |
| Travel range in X | 25 mm | 25 mm | 25 mm | 25 mm | 50 mm | 50 mm | 50 mm | 50 mm | |
| Angular error around Y (pitch) | ± 70 µrad | ± 70 µrad | ± 70 µrad | ± 70 µrad | ± 100 µrad | ± 100 µrad | ± 100 µrad | ± 100 µrad | typ. |
| Angular error around Z (yaw) | ± 50 µrad | ± 50 µrad | ± 50 µrad | ± 50 µrad | ± 50 µrad | ± 50 µrad | ± 50 µrad | ± 50 µrad | typ. |
| Velocity (100 % duty cycle, full-step mode) | 12 mm/s | 12 mm/s | 12 mm/s | 12 mm/s | 12 mm/s | 12 mm/s | 12 mm/s | 12 mm/s | max. |
| Velocity (100 % duty cycle, nanostepping mode) | 10 mm/s | 10 mm/s | 10 mm/s | 10 mm/s | 10 mm/s | 10 mm/s | 10 mm/s | 10 mm/s | max. |
| Positioning | N-332.14 | N-332.14U | N-332.14Y | N-332.14UY | N-332.24 | N-332.24U | N-332.24Y | N-332.24UY | Tolerance |
| Minimum incremental motion in X | 3 nm | 3 nm | 3 nm | 3 nm | 3 nm | 3 nm | 3 nm | 3 nm | typ. |
| Unidirectional repeatability in X | ± 50 nm | ± 50 nm | ± 50 nm | ± 50 nm | ± 80 nm | ± 80 nm | ± 80 nm | ± 80 nm | typ. |
| Reference switch | Optical, direction sensing (reference edge track), 5 V, TTL | Optical, direction sensing (reference edge track), 5 V, TTL | Optical, direction sensing (reference edge track), 5 V, TTL | Optical, direction sensing (reference edge track), 5 V, TTL | Optical, direction sensing (reference edge track), 5 V, TTL | Optical, direction sensing (reference edge track), 5 V, TTL | Optical, direction sensing (reference edge track), 5 V, TTL | Optical, direction sensing (reference edge track), 5 V, TTL | |
| Integrated sensor | Incremental linear encoder | Incremental linear encoder | Incremental linear encoder | Incremental linear encoder | Incremental linear encoder | Incremental linear encoder | Incremental linear encoder | Incremental linear encoder | |
| Drive properties | N-332.14 | N-332.14U | N-332.14Y | N-332.14UY | N-332.24 | N-332.24U | N-332.24Y | N-332.24UY | Tolerance |
| Drive type | PICMAWalk | PICMAWalk | PICMAWalk | PICMAWalk | PICMAWalk | PICMAWalk | PICMAWalk | PICMAWalk | |
| Operating voltage | -20 to 120 V | -20 to 120 V | -20 to 120 V | -20 to 120 V | -20 to 120 V | -20 to 120 V | -20 to 120 V | -20 to 120 V | |
| Drive force in positive direction of motion in X | 75 N | 75 N | 75 N | 75 N | 75 N | 75 N | 75 N | 75 N | typ. |
| Drive force in negative direction of motion in X | 75 N | 75 N | 75 N | 75 N | 75 N | 75 N | 75 N | 75 N | typ. |
| Mechanical properties | N-332.14 | N-332.14U | N-332.14Y | N-332.14UY | N-332.24 | N-332.24U | N-332.24Y | N-332.24UY | Tolerance |
| Permissible push force in Z | 150 N | 150 N | 150 N | 150 N | 150 N | 150 N | 150 N | 150 N | max. |
| Holding force in X, passive | 80 N | 80 N | 80 N | 80 N | 80 N | 80 N | 80 N | 80 N | min. |
| Guide | Crossed roller guide | Crossed roller guide | Crossed roller guide | Crossed roller guide | Crossed roller guide | Crossed roller guide | Crossed roller guide | Crossed roller guide | |
| Overall mass | 500 g | 500 g | 500 g | 500 g | 700 g | 700 g | 700 g | 700 g | ±5 % |
| Material | Aluminum, nickel-plated surface | Aluminum, nickel-plated surface | Aluminum, nickel-plated surface | Aluminum, nickel-plated surface | Aluminum, nickel-plated surface | Aluminum, nickel-plated surface | Aluminum, nickel-plated surface | Aluminum, nickel-plated surface | |
| Miscellaneous | N-332.14 | N-332.14U | N-332.14Y | N-332.14UY | N-332.24 | N-332.24U | N-332.24Y | N-332.24UY | Tolerance |
| Operating temperature range | 0 to 50 °C | 0 to 50 °C | 0 to 50 °C | 0 to 50 °C | 0 to 50 °C | 0 to 50 °C | 0 to 50 °C | 0 to 50 °C | |
| Vacuum class | — | 10⁻⁹ ǀ hPa | — | 10⁻⁹ ǀ hPa | — | 10⁻⁹ ǀ hPa | — | 10⁻⁹ ǀ hPa | |
| Connector | D-sub 37 (m) | LEMO FGJ.2B.319.CLLD52 | D-sub 37 (m) | LEMO FGJ.2B.319.CLLD52 | D-sub 37 (m) | LEMO FGJ.2B.319.CLLD52 | D-sub 37 (m) | LEMO FGJ.2B.319.CLLD52 | |
| Cable length | 2 m | 1 m | 2 m | 1 m | 2 m | 1 m | 2 m | 1 m | ±50 mm |
| Recommended controllers/drivers | E-713 | E-713 | E-713 | E-713 | E-713 | E-713 | E-713 | E-713 |
Velocity (100 % duty cycle, full-step mode): depends on the controller, the load, and the servo parameters; in this case, an E-713.3AN controller is used. For longer positioning processes, operate the linear stage with this controller at a velocity below 3 mm/s.
Unidirectional repeatability in X: Mean value.
At PI, technical data is specified at 22 ±3 °C. Unless otherwise stated, the values are for unloaded conditions. Some properties are interdependent. The designation "typ." indicates a statistical average for a property; it does not indicate a guaranteed value for every product supplied. During the final inspection of a product, only selected properties are analyzed, not all. Please note that some product characteristics may deteriorate with increasing operating time.
Downloads
データシート
ドキュメント
User Manual N332UM0001
Product Note for the N-33x.xxx
3D モデル
N-332 3D Model
Ask for a free quote on quantities required, prices, and lead times or describe your desired modification.
Linear stage with greatest force and precision; PICMAWalk; 25 mm travel range; 150 N load capacity; 12 mm/s maximum velocity; incremental linear encoder; vacuum compatible to 10-9 hPa; 1 m cable length
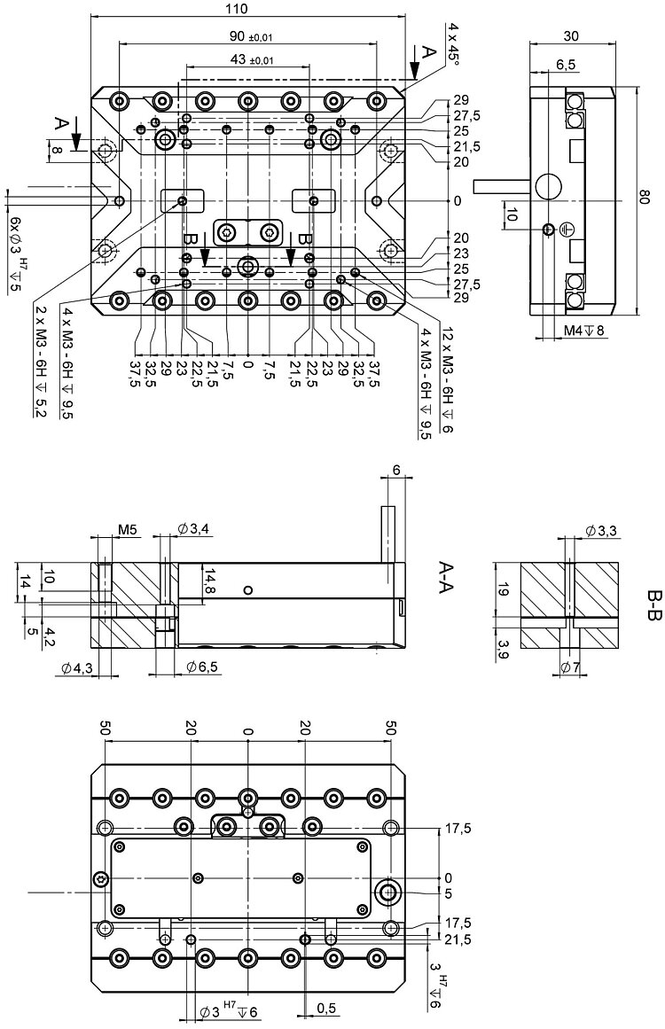
Linear stage with greatest force and precision; PICMAWalk; 25 mm travel range; 150 N load capacity; 12 mm/s maximum velocity; incremental linear encoder; 2 m cable length; downward cable exit
Linear stage with greatest force and precision; PICMAWalk; 25 mm travel range; 150 N load capacity; 12 mm/s maximum velocity; incremental linear encoder; vacuum compatible to 10-9 hPa; 1 m cable length; downward cable exit
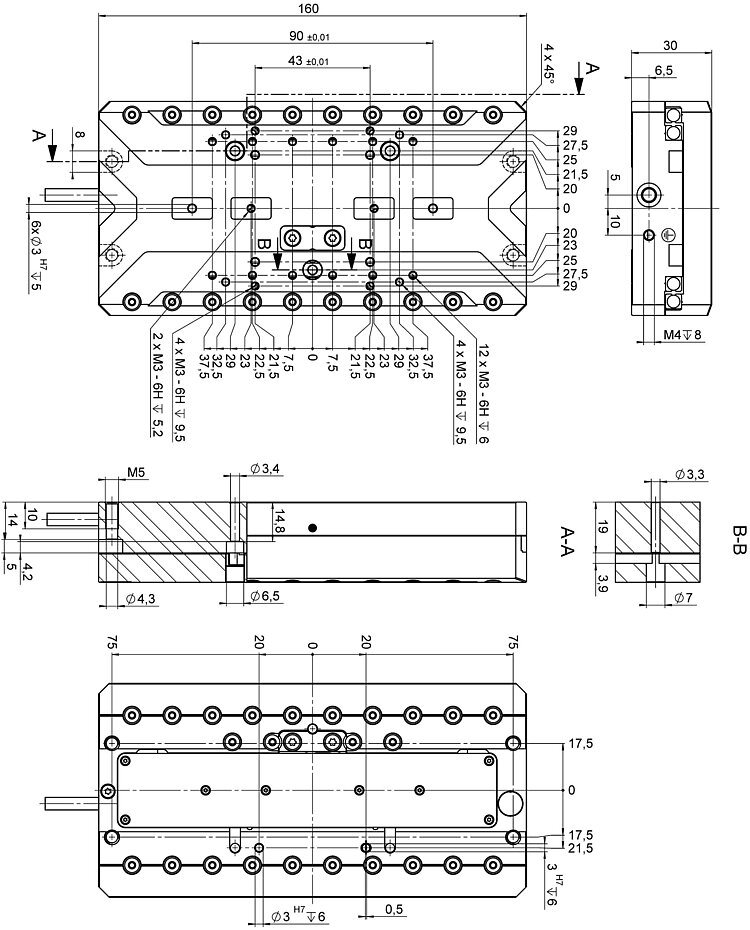
Linear stage with greatest force and precision; PICMAWalk; 50 mm travel range; 150 N load capacity; 12 mm/s maximum velocity; incremental linear encoder; 2 m cable length
Linear stage with greatest force and precision; PICMAWalk; 50 mm travel range; 150 N load capacity; 12 mm/s maximum velocity; incremental linear encoder; vacuum compatible to 10-9 hPa; 1 m cable length
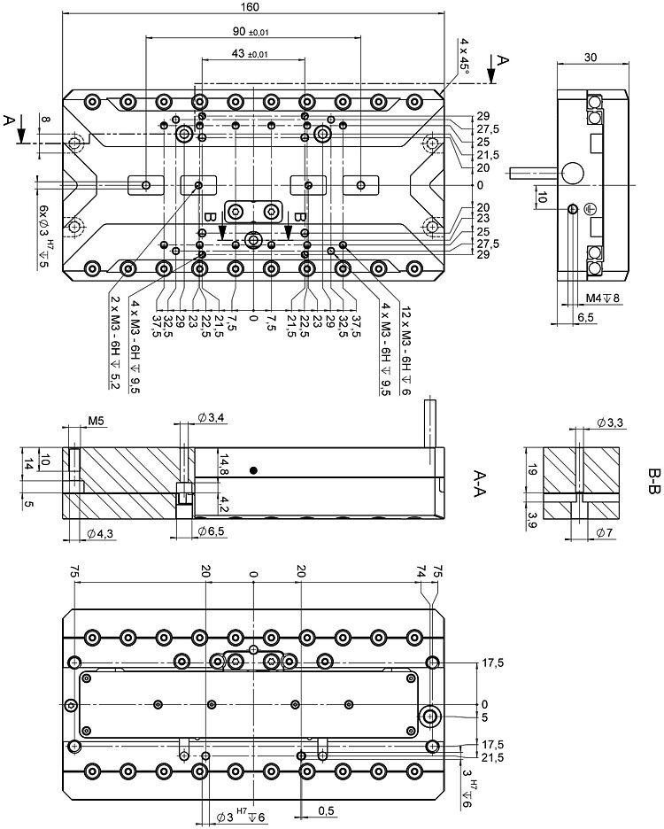
Linear stage with greatest force and precision; PICMAWalk; 50 mm travel range; 150 N load capacity; 12 mm/s maximum velocity; incremental linear encoder; 2 m cable length; downward cable exit
Linear stage with greatest force and precision; PICMAWalk; 50 mm travel range; 150 N load capacity; 12 mm/s maximum velocity; incremental linear encoder; vacuum compatible to 10-9 hPa; 1 m cable length; downward cable exit









