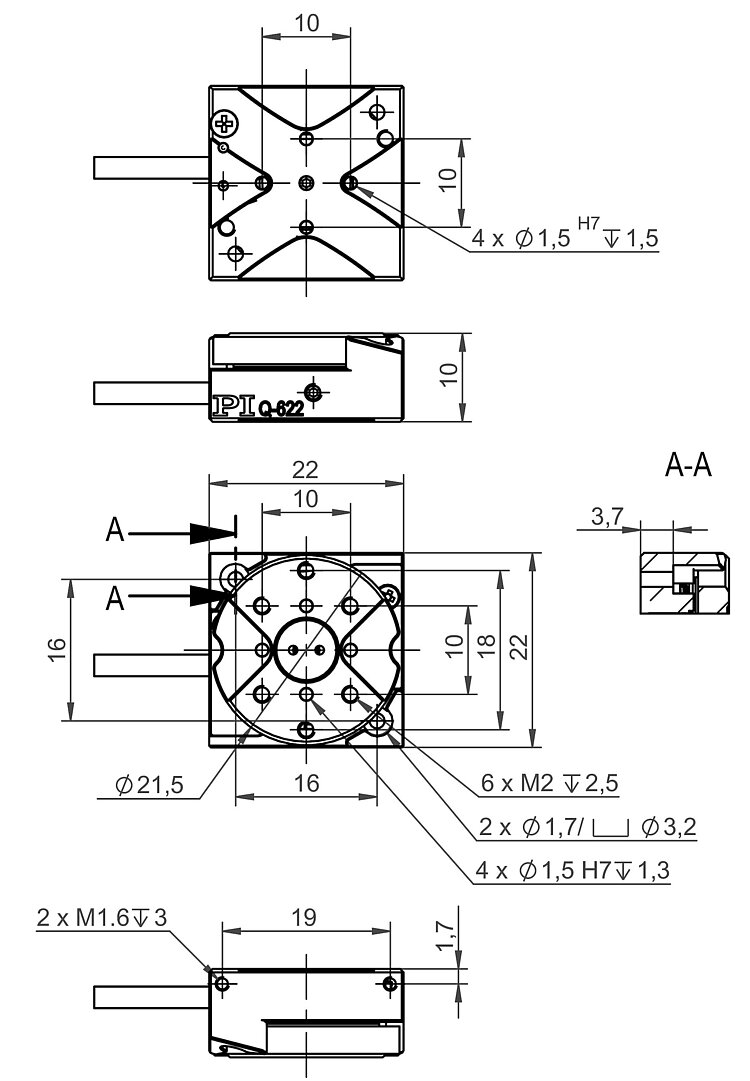
Q-622 Q-Motion® Miniature Rotation Stage
Minimum Dimensions: 22 mm Turntable Diameter
- Only 22 mm in width and 10 mm in height
- Direct position measurement with incremental encoder with 0.55 µrad resolution
- Up to 2.2 µrad minimum incremental motion
- Velocity 70 °/s
- Mountable on the Q-522 linear stage without adapter
- Suitable for vacuum to 10-6 hPa, versions to 10-9 hPa available
Piezoelectric inertia drive
Piezo inertia drives are space-saving and affordable piezo-based drives with relatively high holding forces and a virtually unlimited travel range. The inertia drive principle is based on a single piezoelectric actuator that is controlled with a modified sawtooth voltage provided by special driver electronics. The actuator expands slowly and moves the runner. Due to its inertia, the runner is unable to follow the subsequent fast contraction of the actuator and remains at its position. With an operating frequency of up to 20 kHz, the drives acting directly on the runner and achieve velocities of max. 70 °/s
Application fields
Microassembly, Photonics, Optical alignment, Microscopy, Beamline instrumentation, Semiconductor technology, Testing
Specifications
Specifications
Motion and positioning | Q-622.930 | Q-622.900 | Q-622.90U | Unit | Tolerance |
|---|---|---|---|---|---|
Miniature rotation stage with position sensor for closed-loop operation | Miniature rotation stage without position sensor | Miniature rotation stage, without position sensor for ultrahigh vacuum to 10-9 hPa | |||
Active axis | θZ | θZ | θZ | ||
Rotation range | >360 | >360 | >360 | ° | |
Integrated sensor | Incremental encoder | – | – | ||
Sensor resolution | 0.55 | – | – | µrad | |
Minimum incremental motion | 2.2 | 100 (1) | 100 (1) | µrad | typ. |
Unidirectional repeatability | 3 | – | – | µrad | |
Maximum velocity, open loop | 70 | 70 | 70 | °/s |
Miscellaneous | Q-622.930 | Q-622.900 | Q-622.90U | Unit | Tolerance |
|---|---|---|---|---|---|
Operating temperature range | 0 to 40 | 0 to 40 | 0 to 40 | °C | |
Material | Aluminum, steel | Aluminum, steel | Aluminum, steel | ||
Mass without cable | 15 | 12 | 12 | g | |
Cable length | 1 | 1 | 1 | m | |
Connector | Sub-D 15 (m) | Sub-D 15 (m) | Sub-D 15 (f) | ||
Recommended electronics | E-873.1AT, E-873.3QTU, E-873.10C885 | E-872.401 | E-872.401 |
Downloads
製品についての注意事項
Product Change Notification Q-xxx; N-765
データシート
ドキュメント
User Manual MP128
Q-622 Q-Motion Miniature Rotation Stage with 22 mm Turntable Diameter, Piezoelectric Inertia Drive
3D モデル
Q-622 3-D model
Quote / Order
Ask for a free quote on quantities required, prices, and lead times or describe your desired modification.














