Vacuum-compatible compact rotation stage; 2-phase stepper motor; 360 ° rotational angle; 10 N load capacity; 20 °/s maximum angular velocity; vacuum compatible to 10⁻⁷ hPa; 2 m cable length
RS-40 V7 Compact Rotation Stage Suitable for Vacuum
Precision Positioning
- Vacuum compatible up to 10-7 hPa
- Unlimited travel range
- Repeatability to 87 µrad
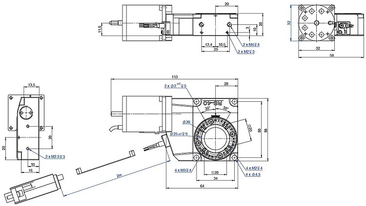
- 20 mm Ø aperture
- Reference switch
Standard-class rotation stage
Worm drive. Aperture with 20 mm Ø. Reference switch.
Reduced outgassing especially for use in vacuum environments
Most notably, for the lubrication of the guides and the spindle a material with particularly low outgassing is used. This allows a bakeout temperature of up to 80° C.
Higher quality for applications in high vacuum
In this case, special components suitable for high vacuum are used, such as motor, measuring system, and limit switches. In addition, the surface is made of uncoated aluminum and the spindles and guides are made of stainless steel. With this, the PI V7 vacuum class is reached, which means up to 10-7 hPa.
Drive
Stepper motor with gearhead.
Application fields
Vacuum chambers. Research. Beamline instrumentation. Microscopy. Electronics assembly and inspection.
Specifications
Specifications
| Motion | 3216V21000 | Tolerance |
|---|---|---|
| Active axes | θZ | |
| Rotation range in θZ | 360 ° | |
| Maximum angular velocity in θZ, unloaded | 20 °/s | |
| Radial error in X | ± 5 µm | typ. |
| Axial error | ± 5 µm | typ. |
| Tilt error around X (wobble) | ± 35 µrad | typ. |
| Positioning | 3216V21000 | Tolerance |
| Minimum incremental motion in θZ | 87 µrad | typ. |
| Unidirectional repeatability in θZ | ± 43.5 µrad | typ. |
| Bidirectional repeatability in θZ | 1400 µrad | typ. |
| Reference switch | Hall effect, N/C contact, 3.8 V to 24 V, NPN | |
| Drive Properties | 3216V21000 | Tolerance |
| Drive type | 2-phase stepper motor | |
| Nominal voltage | 24 V | |
| Motor resolution | 200 Full steps/rev. | |
| Drive torque clockwise in θZ | 0.2 N·m | max. |
| Drive torque counterclockwise in θZ | 0.2 N·m | max. |
| Mechanical Properties | 3216V21000 | Tolerance |
| Permissible push force in Y | 5 N | max. |
| Permissible push force in Z | 20 N | max. |
| Permissible torque in θX | 2 N·m | max. |
| Permissible torque in θY | 2 N·m | max. |
| Holding torque in θZ, passive | 0.2 N·m | |
| Moment of inertia in θZ, unloaded | 15.5 kg·mm² | ±20 % |
| Moved mass in X, unloaded | 90 g | |
| Worm gear reduction | 90 : 1 | |
| Bearing type | Ball bearings | |
| Overall mass | 400 g | |
| Material | Aluminum, stainless steel, red bronze | |
| Miscellaneous | 3216V21000 | Tolerance |
| Operating temperature range | 5 to 40 °C | |
| Vacuum class | 10⁻⁷ ǀ hPa | |
| Connector | D-sub 15 (f) | |
| Cable length | 2 m | |
| Recommended controllers/drivers | C-663.12 C-885 with C-663.12C885 ACS modular controller |
Note on cable length: Fixed cable, firmly attached to the product
At PI, technical data is specified at 22 ±3 °C. Unless otherwise stated, the values are for unloaded conditions. Some properties are interdependent. The designation "typ." indicates a statistical average for a property; it does not indicate a guaranteed value for every product supplied. During the final inspection of a product, only selected properties are analyzed, not all. Please note that some product characteristics may deteriorate with increasing operating time.
Downloads
データシート
ドキュメント
User Manual RS-40 (英語)
Compact Rotation Stage
3D モデル
3-D model RS-40 V7
Ask for a free quote on quantities required, prices, and lead times or describe your desired modification.













