Linear stage with the highest precision; NEXACT® piezo walking drive; 13 mm travel range; 20 N load capacity; 10 mm/s maximum velocity; PIOne: incremental linear encoder, 0.5 nm sensor resolution; 3 m cable length
N-565 Linear Stage with the Highest Precision
NEXACT® Piezo Stepping Drive with Subnanometer Encoder Resolution
- Ultraprecision: 3 nm minimum incremental motion and direct-measuring PIOne encoder with 0.5 nm resolution
- Long travel ranges: 13 mm, 26 mm or 52 mm
- Self-locking when switched off: Saves energy and reduces generation of heat
- Long lifetime and high reliability due to PiezoWalk® technology
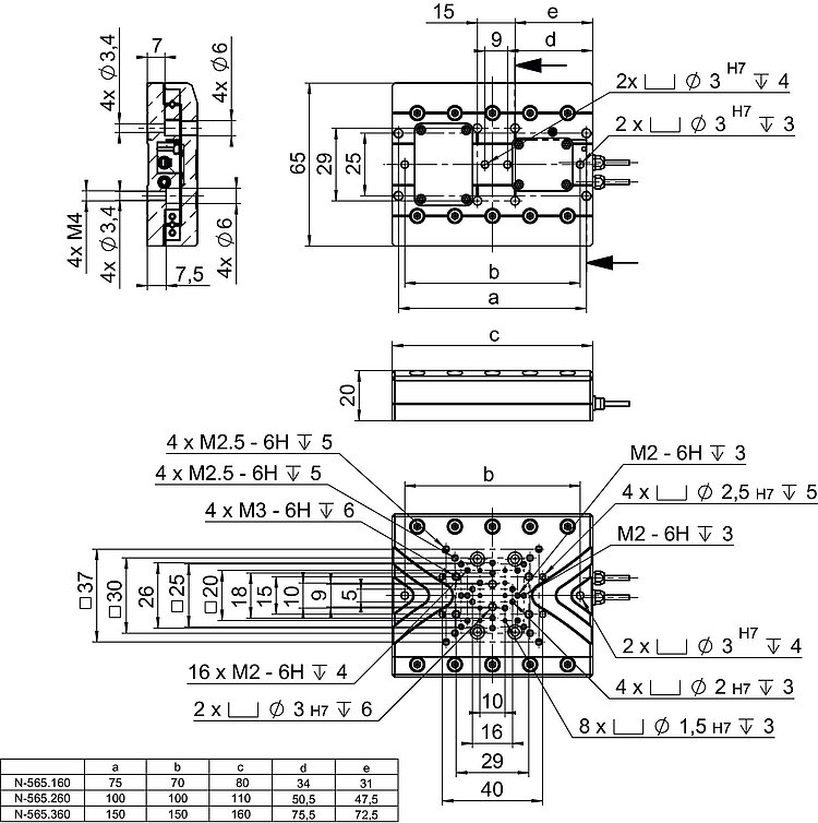
- Compact design: 65 mm width, 20 mm height
NEXACT® reference-class linear stage
Linear stage with NEXACT® PiezoWalk® drives allow high-precision positioning in the nanometer range over long travel ranges. They are equipped with direct-measuring linear encoders and crossed roller bearings for the highest accuracy.
PiezoWalk® technology: High resolution and low wear
The PiezoWalk® technology combines the technological advantages of piezo actuators with those of piezomotors. PiezoWalk® walking drives offer not only subnanometer resolution, high forces, and high stiffness but allow theoretically unlimited travel ranges. In contrast to other piezo-motorized drive principles, PiezoWalk® walking drives are not subject to sliding friction effects. They are based on stiction contacts of several piezo actuators that step along a runner. At rest, PiezoWalk® walking drives are self-locking, consume no energy, and do not generate heat.
Direct position measuring with PIOne linear encoder
The high-resolution PIOne encoder was developed by PI and, with corresponding processing of the measured value, allows a position resolution of much less than one nanometer. In addition, due to the short signal period and the high quality of the signals, the linearity error of PIOne encoders is less than 1 %. PIOne encoders support direction sensing when evaluating a reference signal.
Application fields
Sample manipulation, sample positioning, optics or mechanical components with high precision and stability, precision mechanics in the semiconductor industry, micromanipulation, microscopy, automation, applications in confined spaces, applications in nonmagnetic environments.
Specifications
Specifications
| Motion | N-565.160 | N-565.260 | N-565.360 | Tolerance |
|---|---|---|---|---|
| Active axes | X | X | X | |
| Travel range in X | 13 mm | 26 mm | 52 mm | |
| Maximum velocity in X, unloaded | 10 mm/s | 10 mm/s | 10 mm/s | |
| Pitch (Rotational crosstalk in θY with motion in X) | ± 50 µrad | ± 100 µrad | ± 200 µrad | +80 % |
| Yaw (Rotational crosstalk in θZ with motion in X) | ± 50 µrad | ± 50 µrad | ± 50 µrad | +60 % |
| Positioning | N-565.160 | N-565.260 | N-565.360 | Tolerance |
| Minimum incremental motion in X | 3 nm | 3 nm | 3 nm | typ. |
| Unidirectional repeatability in X | ± 50 nm | ± 50 nm | ± 50 nm | typ. |
| Reference switch | Optical | Optical | Optical | |
| Integrated sensor | PIOne: Incremental linear encoder | PIOne: Incremental linear encoder | PIOne: Incremental linear encoder | |
| System resolution in X | 0.5 nm | 0.5 nm | 0.5 nm | |
| Sensor resolution | 0.5 nm | 0.5 nm | 0.5 nm | |
| Drive Properties | N-565.160 | N-565.260 | N-565.360 | Tolerance |
| Drive type | NEXACT® piezo walking drive | NEXACT® piezo walking drive | NEXACT® piezo walking drive | |
| Drive force in positive direction of motion in X | 10 N | 10 N | 10 N | typ. |
| Drive force in negative direction of motion in X | 10 N | 10 N | 10 N | typ. |
| Mechanical Properties | N-565.160 | N-565.260 | N-565.360 | Tolerance |
| Permissible push force in Z | 20 N | 20 N | 20 N | max. |
| Holding force in X, passive | 10 N | 10 N | 10 N | min. |
| Guide | Crossed roller guide | Crossed roller guide | Crossed roller guide | |
| Overall mass | 300 g | 400 g | 600 g | ±5 % |
| Material | Aluminum, black anodized | Aluminum, black anodized | Aluminum, black anodized | |
| Miscellaneous | N-565.160 | N-565.260 | N-565.360 | Tolerance |
| Operating temperature range | 10 to 50 °C | 10 to 50 °C | 10 to 50 °C | |
| Connector | HD D-sub 15-pin (m) | HD D-sub 15-pin (m) | HD D-sub 15-pin (m) | |
| Sensor connector | D-sub 15-pole (f) | D-sub 15-pole (f) | D-sub 15-pole (f) | |
| Cable length | 3 m | 3 m | 3 m | |
| Recommended controllers / drivers | E-861.1A1 | E-861.1A1 | E-861.1A1 |
Downloads
製品についての注意事項
Product Change Notification Motor Driven Products
データシート
ドキュメント
3D モデル
N-565 3-D model
Quote / Order
Ask for a free quote on quantities required, prices, and lead times or describe your desired modification.
Linear stage with the highest precision; NEXACT® piezo walking drive; 26 mm travel range; 20 N load capacity; 10 mm/s maximum velocity; PIOne: incremental linear encoder, 0.5 nm sensor resolution; 3 m cable length
Linear stage with the highest precision; NEXACT® piezo walking drive; 52 mm travel range; 20 N load capacity; 10 mm/s maximum velocity; PIOne: incremental linear encoder, 0.5 nm sensor resolution; 3 m cable length















