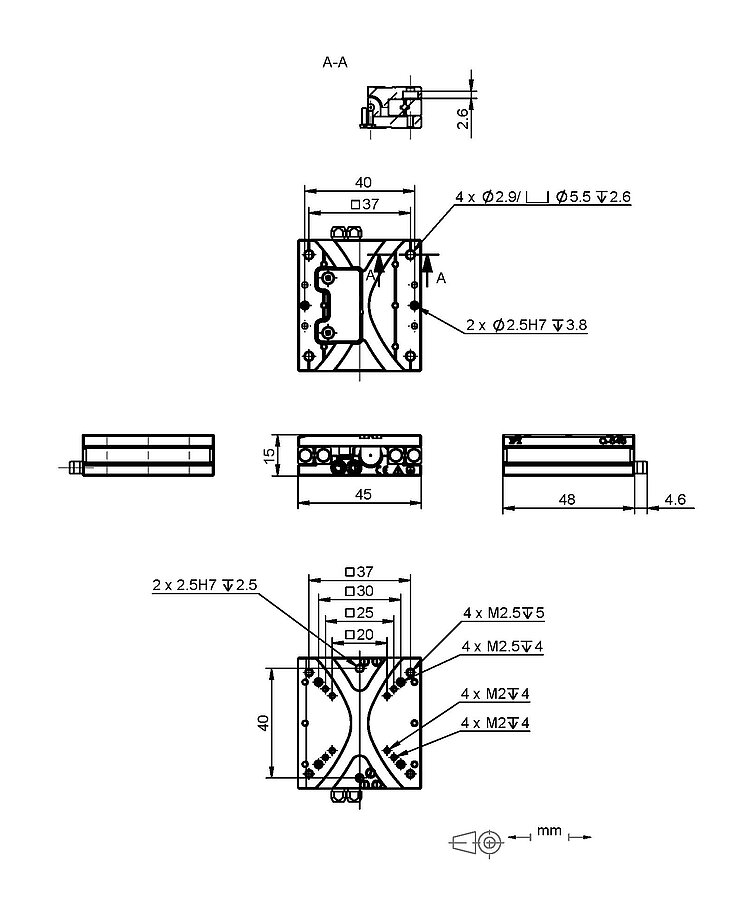
Q-Motion® linear stage, piezoelectric inertia drive, 13 mm travel range, linear encoder, 1 nm resolution, 7 N drive force, dimensions 45 × 48 × 15 mm (W × L × H)
Q-545 Q‑Motion® Precision Linear Stage
High Forces and Small Design Due to Piezo Motors
- Only 45 mm in width
- Drive force 7 N
- Incremental sensors with nanometer position resolution
- XY combinations without adapter plate possible
Piezoelectric inertia drive
Piezo inertia drives are space-saving and affordable piezo-based drives with relatively high holding forces and a virtually unlimited travel range. The inertia drive principle is based on a single piezoelectric actuator that is controlled with a modified sawtooth voltage provided by special driver electronics. The actuator expands slowly and moves the runner. Due to its inertia, the runner is unable to follow the subsequent fast contraction of the actuator and remains at its position. With an operating frequency of up to 20 kHz, the drives acting directly on the runner and achieve velocities of max. 8 mm/s.
Direct-measuring principle
The linear stages are equipped with a noncontact measuring optical linear encoder and a reference switch. Resolution 1 nm.
Application fields
Microassembly. Photonics. Optical alignment. Microscopy. Beamline instrumentation. Semiconductor technology. Testing.
Specifications
Specifications
| Motion | Q-545.140 | Q-545.240 | Tolerance |
|---|---|---|---|
| Active axes | X | X | |
| Travel range in X | 13 mm | 26 mm | |
| Maximum velocity in X, unloaded | 8 mm/s | 8 mm/s | |
| Linearity in X | 2 µm | 2 µm | |
| Positioning | Q-545.140 | Q-545.240 | Tolerance |
| Minimum incremental motion in X | 0.006 µm | 0.006 µm | typ. |
| Reference switch | Optical | Optical | |
| Integrated sensor | Incremental linear encoder | Incremental linear encoder | |
| Sensor signal | Sin/cos, 1 V peak-peak | Sin/cos, 1 V peak-peak | |
| Sensor resolution | 1 nm | 1 nm | |
| Drive Properties | Q-545.140 | Q-545.240 | Tolerance |
| Drive type | Q-Motion® piezo motor | Q-Motion® piezo motor | |
| Drive force in positive direction of motion in X | 7 N | 7 N | typ. |
| Drive force in negative direction of motion in X | 7 N | 7 N | typ. |
| Mechanical Properties | Q-545.140 | Q-545.240 | Tolerance |
| Stiffness in X | 1.5 N/µm | 1.5 N/µm | ±10 % |
| Stiffness in Y | 9 N/µm | 10 N/µm | ±10 % |
| Holding force in X, passive | 8 N | 8 N | min. |
| Maximum load capacity, base plate in any orientation | 0.1 kg | 0.1 kg | |
| Maximum load capacity, base plate horizontal | 0.5 kg | 0.5 kg | |
| Guide | Crossed roller guide | Crossed roller guide | |
| Overall mass | 216 g | 245 g | |
| Mass without cable | 105 g | 135 g | |
| Material | Aluminum | Aluminum | |
| Miscellaneous | Q-545.140 | Q-545.240 | Tolerance |
| Operating temperature range | 0 to 50 °C | 0 to 50 °C | |
| Connector | D-sub 15 (m) | D-sub 15 (m) | |
| Cable length | 2 m | 2 m | |
| Recommended controllers / drivers | E-873.1AT, E-873.10C885 | E-873.1AT, E-873.10C885 |
Specifications tested with E-873.1AT
At PI, technical data is specified at 22 ±3 °C. Unless otherwise stated, the values are for unloaded conditions. Some properties are interdependent. The designation "typ." indicates a statistical average for a property; it does not indicate a guaranteed value for every product supplied. During the final inspection of a product, only selected properties are analyzed, not all. Please note that some product characteristics may deteriorate with increasing operating time.
Downloads
製品についての注意事項
Product Change Notification Q-xxx; N-765
データシート
ドキュメント
3D モデル
Q-545 3-D model
アニメーション化された3D モデル
Animated 3-D Model Q-545.240
Ask for a free quote on quantities required, prices, and lead times or describe your desired modification.
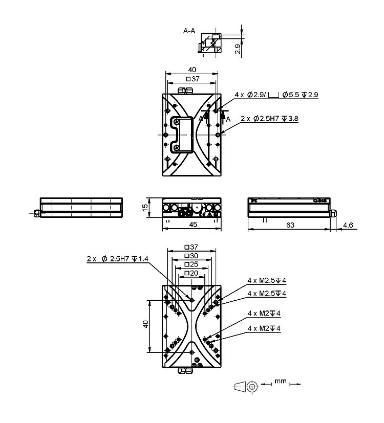
Q-Motion® linear stage, piezoelectric inertia drive, 26 mm travel range, linear encoder, 1 nm resolution, 7 N drive force, dimensions 45 × 63 × 15 mm (W × L × H)














