High dynamics Z nanopositioning stage; 100 µm travel range; capacitive, direct position measuring; D-sub 7W2 (m); 1.5 m cable length
P-733.Z High Dynamics Z Nanopositioning Stage
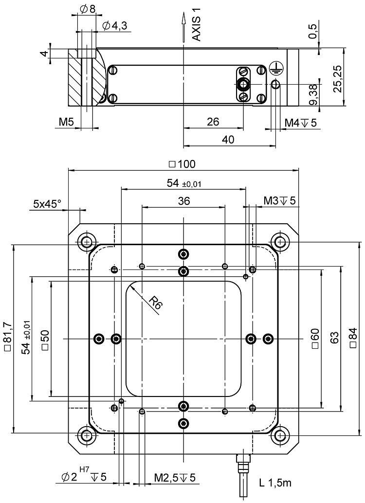
Direct Position Measuring and Clear Aperture
- Travel range 100 µm
- Direct position measuring with capacitive sensors
- Resolution to 0.3 nm, closed loop
- Clear aperture 50 mm × 50 mm
- Other versions available with additional degrees of freedom
- XY and XYZ versions available
- Vacuum-compatible versions on request
Application fields
- Scanning microscopy
- Confocal microscopy
- Mask/wafer positioning
- Surface measuring technology
- Nanoimprinting
- Micromanipulation
- Image processing / stabilization
- Nanopositioning with high flatness and straightness of motion
Outstanding lifetime thanks to PICMA® piezo actuators
The PICMA® piezo actuators are all-ceramic insulated. This protects them against humidity and failure resulting from an increase in leakage current. PICMA® actuators offer an up to ten times longer lifetime than conventional polymer-insulated actuators. 100 billion cycles without a single failure are proven.
Subnanometer resolution with capacitive sensors
Capacitive sensors measure with subnanometer resolution without contacting. They guarantee excellent linearity of motion, long-term stability, and a bandwidth in the kHz range.
High guiding accuracy due to zero-play flexure guides
Flexure guides are free of maintenance, friction, and wear, and do not require lubrication. Their stiffness allows high load capacity and they are insensitive to shock and vibration. They work in a wide temperature range.
Automatic configuration and fast component exchange
Mechanics and controllers can be combined as required and exchanged quickly. All servo and linearization parameters are stored in the ID chip of the D-sub connector of the mechanics. The autocalibration function of the digital controllers uses this data each time the controller is switched on.
Maximum accuracy due to direct position measuring
Motion is measured directly at the motion platform without any influence from the drive or guide elements. This allows optimum repeatability, outstanding stability, and stiff, fast-responding control.
Specifications
Specifications
| Motion | P-733.ZCD | P-733.ZCL | Tolerance |
|---|---|---|---|
| Active axes | Z | Z | |
| Travel range in Z | 100 µm | 100 µm | |
| Travel range in Z, open loop, at -20 to 120 V | 115 µm | 115 µm | +20 / -0 % |
| Linearity error | 0.03 % | 0.03 % | typ. |
| Yaw (Rotational crosstalk in θX with motion in Z) | < 5 µrad | < 5 µrad | typ. |
| Pitch (Rotational crosstalk in θY with motion in Z) | < 5 µrad | < 5 µrad | typ. |
| Roll (Rotational crosstalk in θZ with motion in Z) | < 10 µrad | < 10 µrad | typ. |
| Positioning | P-733.ZCD | P-733.ZCL | Tolerance |
| Unidirectional repeatability in Z | ± 2 nm | ± 2 nm | typ. |
| Resolution, open loop | 0.2 nm | 0.2 nm | typ. |
| Integrated sensor | Capacitive, direct position measuring | Capacitive, direct position measuring | |
| System resolution | 0.3 nm | 0.3 nm | typ. |
| Drive Properties | P-733.ZCD | P-733.ZCL | Tolerance |
| Drive type | PICMA® | PICMA® | |
| Electrical capacitance | 6 µF | 6 µF | ±20 % |
| Mechanical Properties | P-733.ZCD | P-733.ZCL | Tolerance |
| Stiffness | 2.5 N/µm | 2.5 N/µm | ±20 % |
| Resonant frequency in Z, unloaded | 700 Hz | 700 Hz | ±20 % |
| Resonant frequency in Z, under load with 120 g | 530 Hz | 530 Hz | ±20 % |
| Resonant frequency in Z, under load with 200 g | 415 Hz | 415 Hz | ±20 % |
| Permissible push force in Z | 50 N | 50 N | max. |
| Permissible pull force in Z | 20 N | 20 N | max. |
| Guide | Flexure guide with lever amplification | Flexure guide with lever amplification | |
| Overall mass | 580 g | 580 g | ±5 % |
| Material | Aluminum | Aluminum | |
| Miscellaneous | P-733.ZCD | P-733.ZCL | Tolerance |
| Operating temperature range | -20 to 80 °C | -20 to 80 °C | |
| Connector | D-sub 7W2 (m) | LEMO FFS.00.250.CTCE24 | |
| Cable length | 1.5 m | 1.5 m | ±10 mm |
| Recommended controllers / drivers | E-503, E-505, E-610, E-621, E-625, E-754 | E-503, E-505, E-610, E-621, E-625, E-754 | |
| Sensor connector | LEMO FFA.00.250.CTLC 17 |
The resolution of the system is limited only by the noise of the amplifier and the measuring technology because PI piezo nanopositioning systems are free of friction.
Downloads
データシート
ドキュメント
User Manual PZ103 (英語)
P-733, P-734 Piezo Nanopositioning Systems with Capacitive Sensors
3D モデル
P-733.Z 3-D model
Quote / Order
Ask for a free quote on quantities required, prices, and lead times or describe your desired modification.
High dynamics Z nanopositioning stage; 100 µm travel range; capacitive, direct position measuring; LEMO connectors; 1.5 m cable length
見積取得方法
お問い合わせ
担当者よりお問合せにつきまして、すぐにご連絡をさせて頂きます。
テクノロジー

PICMA® テクノロジー
特許取得済みの多層アクチュエータの製造技術は、高い信頼性と長寿命をお約束いたします。

真空
慎重な取り扱いと確かな根拠: PIは、原材料やコンポーネント、最終製品の品質保証に必要な設備だけでなく、長年にわたる高真空および超高真空ポジショニングシステムに関する経験を有しています。

フレクシャガイドシステム
PI社のフレクシャガイドは、ナノポジショニングの世界においてその価値を証明しています。フレクシャガイドはピエゾをガイドし、傾きや横方向へのズレがない直進性を保証します。

デジタルモーションコントローラ
デジタルテクノロジーにより、従来のアナログ技術にはなかった制御工学使い、パフォーマンスを改善する可能性があります。

静電容量センサ
静電容量センサは、もっとも要求事項の厳しいナノポジショニング用途に適した計測システムです。


















