PIMars 6-axis nanopositioning stage; 200 µm × 200 µm × 200 µm travel range (X × Y × Z); 1 mrad × 1 mrad × 1 mrad rotational angle (θX × θY × θZ); capacitive, indirect position measuring; 2 × D-sub 25W3 (m) connector; 1.5 m cable length
P-562.6CD PIMars 6-Axis Nanopositioning Stage
High-Precision Nanopositioner with 6 Degrees of Freedom
- 6 motion axes: 3 × linear, 3 × rotational
- Travel ranges to 200 µm linear and to 1 mrad tip/tilt angle
- Parallel kinematics for faster response times and higher multi-axis accuracy
- Highest linearity due to capacitive sensors
- Zero-play, high-precision flexure guide system
- Excellent scanning flatness
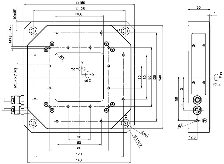
- Clear aperture 66 mm × 66 mm
- Outstanding lifetime due to PICMA® piezo actuators
Application fields
- Scanning microscopy
- Super-resolution microscopy
- Biotechnology
- Mask/wafer positioning
- Sample positioning
- Interferometry
- Metrology
Outstanding lifetime thanks to PICMA® piezo actuators
The PICMA® piezo actuators are all-ceramic insulated. This protects them against humidity and failure resulting from an increase in leakage current. PICMA® actuators offer an up to ten times longer lifetime than conventional polymer-insulated actuators. 100 billion cycles without a single failure are proven.
Subnanometer resolution with capacitive sensors
Capacitive sensors measure with subnanometer resolution without contacting. They guarantee excellent linearity of motion, long-term stability, and a bandwidth in the kHz range.
High guiding accuracy due to zero-play flexure guides
Flexure guides are free of maintenance, friction, and wear, and do not require lubrication. Their stiffness allows high load capacity and they are insensitive to shock and vibration. They work in a wide temperature range.
Automatic configuration and fast component exchange
Mechanical unit and controller can be combined as required and exchanged quickly. All servo and linearization parameters are stored in the ID chip of the mechanical unit's D-sub connector. The autocalibration function of the digital controllers uses this data each time the controller is switched on.
High tracking accuracy in the nanometer range due to parallel position measuring
All degrees of freedom are measured against a single fixed reference. Undesired crosstalk between axes can be actively compensated (active guiding) in real time (depending on the bandwidth). High tracking accuracy is achieved in the nanometer range even in dynamic operation.
Specifications
Specifications
| Motion | P-562.6CD | Tolerance |
|---|---|---|
| Active axes | X ǀ Y ǀ Z ǀ θX ǀ θY ǀ θZ | |
| Travel range in X | 200 µm | |
| Travel range in Y | 200 µm | |
| Travel range in Z | 200 µm | |
| Rotation range in θX | ± 0.5 mrad | |
| Rotation range in θY | ± 0.5 mrad | |
| Rotation range in θZ | ± 0.5 mrad | |
| Linearity error in X | 0.03 % | |
| Linearity error in Y | 0.03 % | |
| Linearity error in Z | 0.03 % | |
| Linearity error in θX | 0.1 % | typ. |
| Linearity error in θY | 0.1 % | typ. |
| Linearity error in θZ | 0.1 % | typ. |
| Flatness | < 15 nm | typ. |
| Positioning | P-562.6CD | Tolerance |
| Unidirectional repeatability in X | ± 2 nm | typ. |
| Unidirectional repeatability in Y | ± 2 nm | typ. |
| Unidirectional repeatability in Z | ± 3 nm | typ. |
| Unidirectional repeatability in θX | ± 0.1 µrad | typ. |
| Unidirectional repeatability in θY | ± 0.1 µrad | typ. |
| Unidirectional repeatability in θZ | ± 0.15 µrad | typ. |
| Integrated sensor | Capacitive, indirect position measuring | |
| System resolution in X | 1 nm | typ. |
| System resolution in Y | 1 nm | typ. |
| System resolution in Z | 1 nm | typ. |
| System resolution in θX | 0.1 µrad | typ. |
| System resolution in θY | 0.1 µrad | typ. |
| System resolution in θZ | 0.1 µrad | typ. |
| Drive properties | P-562.6CD | Tolerance |
| Drive type | PICMA® | |
| Electrical capacitance in X | 7.4 µF | ±20 % |
| Electrical capacitance in Y | 7.4 µF | ±20 % |
| Electrical capacitance in Z | 14.8 µF | ±20 % |
| Mechanical properties | P-562.6CD | Tolerance |
| Resonant frequency in X, unloaded | 110 Hz | ±20 % |
| Resonant frequency in Y, unloaded | 110 Hz | ±20 % |
| Resonant frequency in Z, unloaded | 190 Hz | ±20 % |
| Permissible push force in X | 50 N | max. |
| Permissible push force in Y | 50 N | max. |
| Permissible push force in Z | 60 N | max. |
| Permissible pull force in X | 40 N | max. |
| Permissible pull force in Y | 40 N | max. |
| Permissible pull force in Z | 60 N | max. |
| Guide | Flexure guide with lever amplification | |
| Overall mass | 1450 g | ±5 % |
| Material | Aluminum | |
| Miscellaneous | P-562.6CD | Tolerance |
| Operating temperature range | -20 to 80 °C | |
| Connector | 2 × D-sub 25W3 (m) | |
| Cable length | 1.5 m | ±10 mm |
| Recommended controllers/drivers | E-713 PICMA® |
The resolution of the system is limited only by the noise of the amplifier and the measuring technology because PI piezo nanopositioning systems are free of friction.
UHV-compatible versions up to 10-9 hPa and versions with other travel ranges available on request.
At PI, technical data is specified at 22 ±3 °C. Unless otherwise stated, the values are for unloaded conditions. Some properties are interdependent. The designation "typ." indicates a statistical average for a property; it does not indicate a guaranteed value for every product supplied. During the final inspection of a product, only selected properties are analyzed, not all. Please note that some product characteristics may deteriorate with increasing operating time.
Downloads
データシート
ドキュメント
User Manual PZ297
P-562.6CD Nanopositioner
Technical Note P500T0002
Unpacking and Packing P-5xx Positioners
3D モデル
P-562.6CD 3-D model
Quote / Order
Ask for a free quote on quantities required, prices, and lead times or describe your desired modification.
見積取得方法
お問い合わせ
担当者よりお問合せにつきまして、すぐにご連絡をさせて頂きます。
テクノロジー

PICMA® テクノロジー
特許取得済みの多層アクチュエータの製造技術は、高い信頼性と長寿命をお約束いたします。

真空
慎重な取り扱いと確かな根拠: PIは、原材料やコンポーネント、最終製品の品質保証に必要な設備だけでなく、長年にわたる高真空および超高真空ポジショニングシステムに関する経験を有しています。

フレクシャガイドシステム
PI社のフレクシャガイドは、ナノポジショニングの世界においてその価値を証明しています。フレクシャガイドはピエゾをガイドし、傾きや横方向へのズレがない直進性を保証します。

デジタルモーションコントローラ
デジタルテクノロジーにより、従来のアナログ技術にはなかった制御工学使い、パフォーマンスを改善する可能性があります。

静電容量センサ
静電容量センサは、もっとも要求事項の厳しいナノポジショニング用途に適した計測システムです。

パラレルキネマティックピエゾ位置決めシステム
パラレルキネマティック多軸システムでは、すべてのアクチュエータは、ただ一つの可動プラットフォームに対して、ダイレクトに動作します。







