MA-35 Micro Actuator
- Travel range 52 mm (2")
- Unidirectional repeatability down to 0.2 µm
- Maximum speed 100 mm/sec
- Force max. 500 N
- Integrated Hall / mechanical limit switches
- High resolution
- Vacuum Datasheet
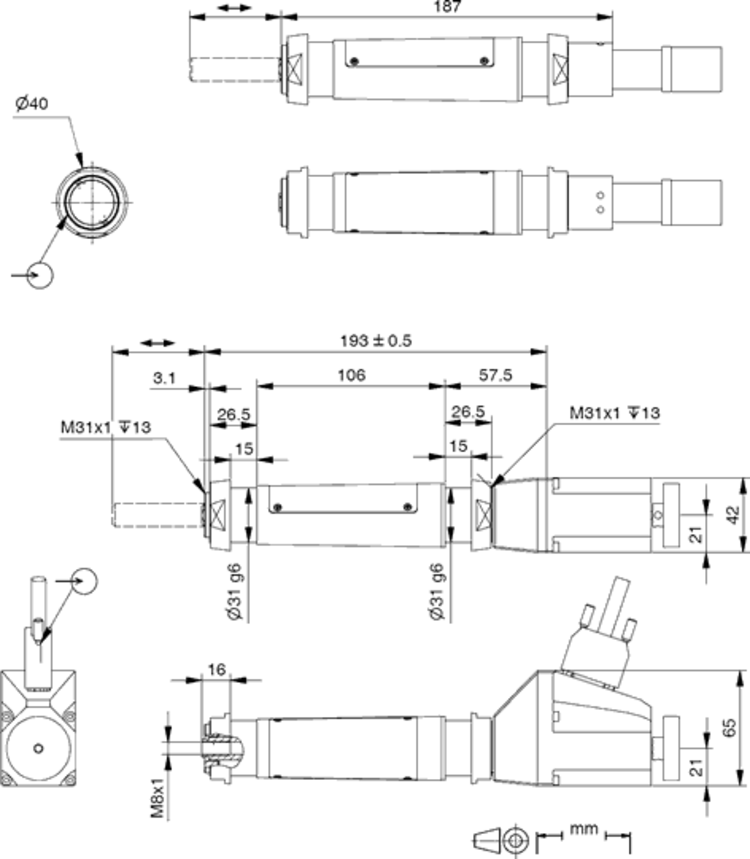
The micro actuator MA-35 was designed for applications with limited space conditions or where high-precision actuators must be positioned decoupled of the drive. Compared to other pushers the standard force is very high (200 N) and can be increased. The actuators MA-35 are motorized with DC gear-motor with encoder and 2-phase gear-motor combination or as direct drive DC with encoder or 2-phase stepper motor. The motorized drives can be combined with a ground preloaded re-circulating ball screw with 1 mm or 2 mm pitch. Depending on requirement high pushing forces, high resolution or high speed can be achieved. The travel range is 52 mm (2"). Two integrated Hall effect limit switches prevent damage from accidental overtravel. All critical elements are made of stainless steel.
Specifications
This content is only available on tablets or desktop devices.Specifications
| MA-35 | |||
|---|---|---|---|
| Load Characteristics | Fx (N) | Fy (N) | Fz (N) | 
| DC-B-013 | 10 | 500 | 10 | 
| DC-B-031 | 10 | 200 | 10 | 
| 2Phase-045 | 10 | 300 | 10 | 
| Travel range (mm) | 52 | ||
| Weight (kg) | 2 | ||
| Motor (Pitch 1 / 2 mm) | DC-B-013 | DC-B-031 | 2Phase-045 | 
| Speed max. (mm/sec) | 2.5 / 5 | 50 / 90 | 25 / 45 | 
| Resolution calculated (µm) | 0.016 / 0.033 (RE) | 0.5 / 1 (RE) | 5 / 10 (FS) | 
| Resolution typical (µm) | 0.1 / 0.2 | 0.5 / 1 | 0.1 / 0.2 | 
| Bi-directional Repeatability (µm) | ± 1 | ± 1 | ± 1 | 
| Uni-directional Repeatability (µm) | 0.2 | 0.5 / 1 | 0.2 | 
| Nominal Current (A) | 0. 28 | 1.96 | 1.2 | 
| Voltage Range (V) | 24 | 24 | |
| Accuracy | on request | on request | on request | 
| Velocity Range (mm/sec) | 0.001 ... 100 | 0.001 ... 100 | 0.001 ... 100 | 
| Material | Stainless steel | Stainless steel | Stainless steel | 









