High dynamic tip-tilt platform with high stiffness, 3 mrad tip/tilt angle, strain gauge sensor, D-sub 37 connector (m)
S-331 High-Speed Tip/Tilt Platform
Short Settling Time and High Dynamic Linearity
- Tip/tilt angle up to 5 mrad, optical deflection angle up to 10 mrad (0.57°)
- High resonant frequencies to 10 kHz(0.5" mirror) for dynamic motion and fast step-and-settle
- Parallel-kinematic design for identically high performance characteristics for both tip/tilt axes
- Position sensors for high linearity
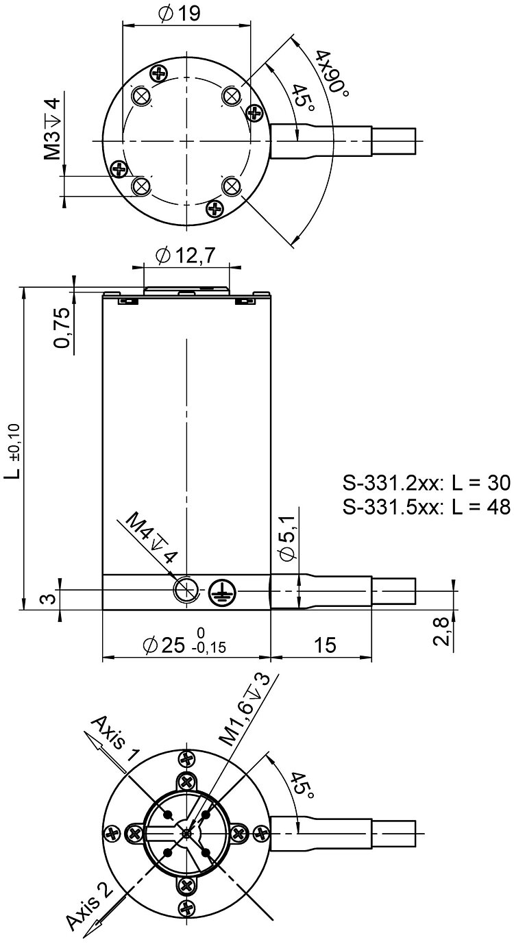
- For mirrors up to Ø 12.7 mm (0.5")









Application fields
- Image processing / stabilization
- Optical trapping
- Laser scanning / beam steering
- Laser tuning
- Optical filters / switches
- Optics
- Beam stabilization
Outstanding lifetime due to PICMA® piezo actuators
The PICMA® piezo actuators are all-ceramic insulated. This protects them against humidity and failure resulting from an increase in leakage current. PICMA® actuators offer an up to ten times longer lifetime than conventional polymer-insulated actuators. 100 billion cycles without a single failure are proven.
High guiding accuracy due to zero-play flexure guides
Flexure guides are free of maintenance, friction, and wear, and do not require lubrication. Their stiffness allows high load capacity and they are insensitive to shock and vibration. They work in a wide temperature range.
High dynamics multi-axis operation due to parallel kinematics
In a parallel-kinematic multi-axis system, all actuators act on a common platform. The minimum mass inertia and the identical design of all axes allow fast, dynamic, and nevertheless precision motion.
Specifications
Specifications
| Motion | S-331.2SH | S-331.2SL | S-331.5SH | S-331.5SL | Tolerance |
|---|---|---|---|---|---|
| Active axes | θX ǀ θY | θX ǀ θY | θX ǀ θY | θX ǀ θY | |
| Rotation range in θX | 3 mrad | 3 mrad | 5 mrad | 5 mrad | |
| Rotation range in θY | 3 mrad | 3 mrad | 5 mrad | 5 mrad | |
| Rotation range in θX, open loop | 4.2 mrad | 4.2 mrad | 7 mrad | 7 mrad | ±20 % |
| Rotation range in θY, open loop | 4.2 mrad | 4.2 mrad | 7 mrad | 7 mrad | ±20 % |
| Linearity error in θX | 0.1 % | 0.3 % | 0.1 % | 0.3 % | typ. |
| Linearity error in θY | 0.1 % | 0.3 % | 0.1 % | 0.3 % | typ. |
| Positioning | S-331.2SH | S-331.2SL | S-331.5SH | S-331.5SL | Tolerance |
| Bidirectional repeatability in θX | 1.5 µrad | 1.5 µrad | 2.5 µrad | 2.5 µrad | typ. |
| Bidirectional repeatability in θY | 1.5 µrad | 1.5 µrad | 2.5 µrad | 2.5 µrad | typ. |
| Resolution in θX, open loop | 0.05 µrad | 0.05 µrad | 0.1 µrad | 0.1 µrad | typ. |
| Resolution in θY, open loop | 0.05 µrad | 0.05 µrad | 0.1 µrad | 0.1 µrad | typ. |
| Integrated sensor | SGS, indirect position measuring | SGS, indirect position measuring | SGS, indirect position measuring | SGS, indirect position measuring | |
| Sensor resolution, rotational | 0.1 µrad | 0.1 µrad | 0.25 µrad | 0.25 µrad | |
| Drive Properties | S-331.2SH | S-331.2SL | S-331.5SH | S-331.5SL | Tolerance |
| Drive type | PICMA® | PICMA® | PICMA® | PICMA® | |
| Nominal voltage | 120 V | 120 V | 120 V | 120 V | |
| Maximum power consumption | — | — | — | — | |
| Electrical capacitance in θX | 0.96 µF | 0.96 µF | 6.2 µF | 6.2 µF | ±20 % |
| Electrical capacitance in θY | 0.96 µF | 0.96 µF | 6.2 µF | 6.2 µF | ±20 % |
| Mechanical Properties | S-331.2SH | S-331.2SL | S-331.5SH | S-331.5SL | Tolerance |
| Resonant frequency in θX, unloaded | 10050 Hz | 10050 Hz | 2990 Hz | 2990 Hz | ±20 % |
| Resonant frequency in θX, under load with glass mirror (Ø 12.7 mm; thickness 3 mm) | 9020 Hz | 9020 Hz | 2980 Hz | 2980 Hz | ±20 % |
| Resonant frequency in θY, unloaded | 10050 Hz | 10050 Hz | 2990 Hz | 2990 Hz | ±20 % |
| Resonant frequency in θY, under load with glass mirror (Ø 12.7 mm; thickness 3 mm) | 9020 Hz | 9020 Hz | 2980 Hz | 2980 Hz | ±20 % |
| Moment of inertia in θX, unloaded | 30 g·mm² | 30 g·mm² | 30 g·mm² | 30 g·mm² | ±20 % |
| Moment of inertia in θY, unloaded | 30 g·mm² | 30 g·mm² | 30 g·mm² | 30 g·mm² | ±20 % |
| Distance of pivot point to platform surface | 4 mm | 4 mm | 4 mm | 4 mm | ±0,1 mm |
| Guide | Flexure guide with lever amplification | Flexure guide with lever amplification | Flexure guide with lever amplification | Flexure guide with lever amplification | |
| Overall mass | 130 g | 130 g | 280 g | 280 g | |
| Material | Steel, platform: titanium | Steel, platform: titanium | Steel, platform: titanium | Steel, platform: titanium | |
| Miscellaneous | S-331.2SH | S-331.2SL | S-331.5SH | S-331.5SL | Tolerance |
| Operating temperature range | -20 to 80 °C | -20 to 80 °C | -20 to 80 °C | -20 to 80 °C | |
| Connector | D-sub 37 (m) | LEMO LVPZT | D-sub 37 (m) | LEMO LVPZT | |
| Sensor connector | — | LEMO for strain gauge sensors | — | LEMO for strain gauge sensors | |
| Cable length | 2 m | 2 m | 2 m | 2 m | |
| Recommended controllers / drivers | E-727 | E-509.S3 + E-505.00 (2×) + E-505.00S + E-500.00 | E-727 | E-509.S3 + E-505.00 (2×) + E-505.00S + E-500.00 |
At PI, technical data is specified at 22 ±3 °C. Unless otherwise stated, the values are for unloaded conditions. Some properties are interdependent. The designation "typ." indicates a statistical average for a property; it does not indicate a guaranteed value for every product supplied. During the final inspection of a product, only selected properties are analyzed, not all. Please note that some product characteristics may deteriorate with increasing operating time.
Downloads
製品についての注意事項
Product Change Notification Piezo Actuator Driven Products
データシート
ドキュメント
User Manual PZ256 (英語)
S-331 High-Dynamics Piezo Tip / Tilt Systems with High Stiffness
3D モデル
3-D model S-331.2SH
3-D model S-331.5SH
Ask for a free quote on quantities required, prices, and lead times or describe your desired modification.
High dynamic tip-tilt platform with high stiffness, 3 mrad tip/tilt angle, strain gauge sensor, LEMO connectors
High dynamic tip-tilt platform with high stiffness, 5 mrad tip/tilt angle, strain gauge sensor, D-sub 37 connector (m)
High dynamic tip-tilt platform with high stiffness, 5 mrad tip/tilt angle, strain gauge sensor, LEMO connectors


















