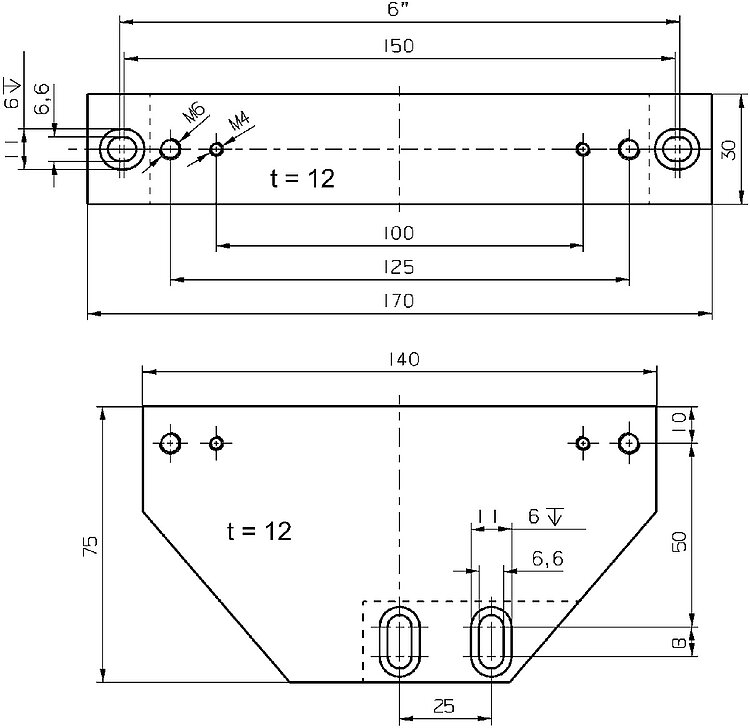
M-590.00 Three-Point Support Set

For Mounting M-511, M-521 and M-531 Stages on Honeycomb Table Tops etc.

  • (Metric and imperial)
M-590.00 Three-Point Support Set
製品の解説 ダウンロード 見積 / 発注

Downloads

データシート

データシート

Datasheet M-590.00

日付 / バージョン
2015-04-14
pdf - 681 KB
日付 / バージョン
2015-04-14
pdf - 678 KB

Quote / Order

Ask for a free quote on quantities required, prices, and lead times or describe your desired modification.

Ask about custom designs!

見積取得方法

見積/発注をクリック
見積リストに製品バリアントを追加する
見積フォームを記入する
PIに価格リクエストを送信
すぐにご連絡いたします

お問い合わせ

担当者よりお問合せにつきまして、すぐにご連絡をさせて頂きます。