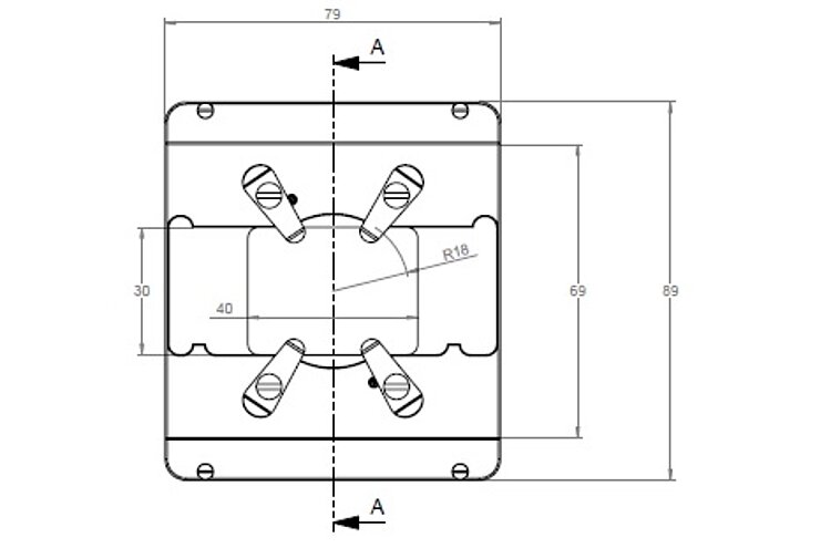
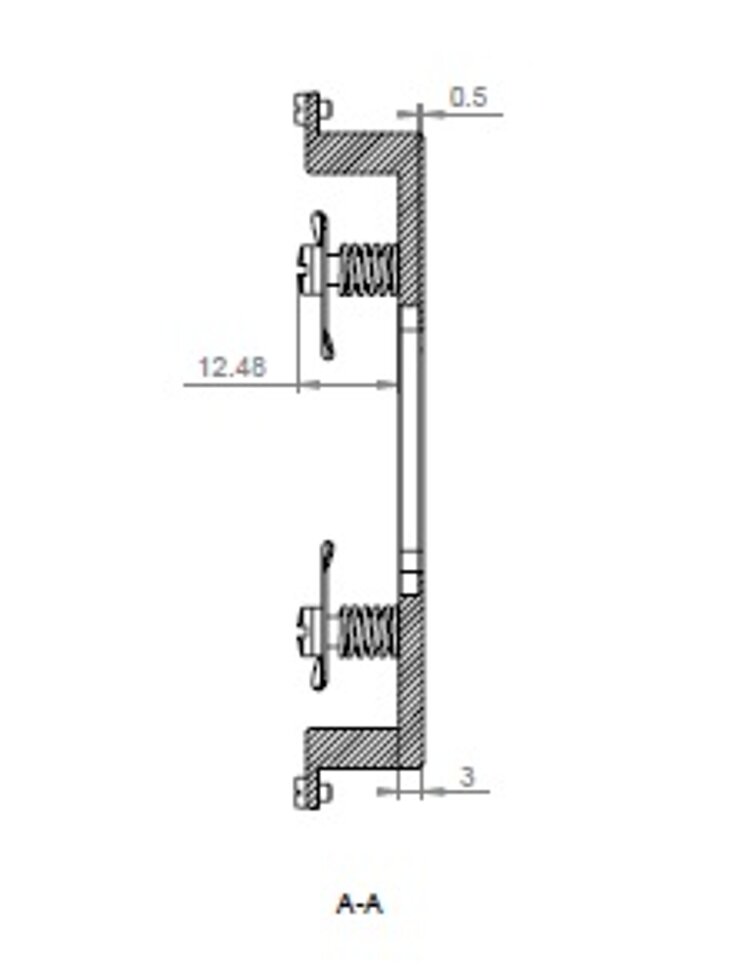
P-542.PD1 Petri Dish Holder

For P-54x Nanopositioning System, 35 mm

P-542.PD1 Petri Dish Holder
製品の解説 ダウンロード 見積 / 発注

Downloads

データシート

データシート

Datasheet P-542.PD1

日付 / バージョン
2015-05-19
pdf - 682 KB
日付 / バージョン
2015-05-19
pdf - 680 KB

パンフレット

パンフレット

Microscope Stage Configurator

Sample Stages and Holders for Inverted Microscopes

日付 / バージョン
BRO70E
pdf - 3 MB

Quote / Order

Ask for a free quote on quantities required, prices, and lead times or describe your desired modification.

Ask about custom designs!

見積取得方法

見積/発注をクリック
見積リストに製品バリアントを追加する
見積フォームを記入する
PIに価格リクエストを送信
すぐにご連絡いたします

お問い合わせ

担当者よりお問合せにつきまして、すぐにご連絡をさせて頂きます。

Compatible Products Related Accessories