P-726 QuickLock Thread Adapter

Simple Installation with QuickLock Fast Locking Mechanism

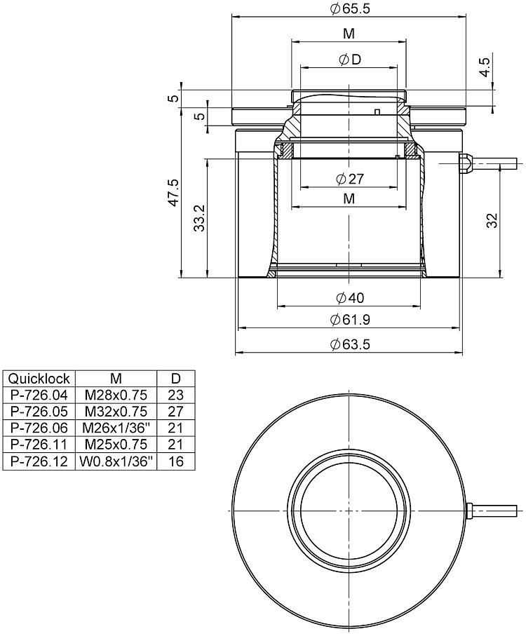
  • Thread adapters adapting the PIFOC positioner to the microscope easily
  • Microscope side quick lock for twist-free cable routing
P-726 QuickLock Thread Adapter
製品の解説 ダウンロード 見積 / 発注

The PIFOC® is inserted between the revolving nosepiece and the objective using the QuickLock fast locking adapter. After screwing the adapter into the revolving nosepiece, the PIFOC® contained is fixed to the desired orientation. Since the objective positioner itself does not have to be rotated, cabling is no longer an issue

Downloads

データシート

データシート

Datasheet P-726.xx (英語)

日付 / バージョン
2020-02-20
pdf - 398 KB
日付 / バージョン
2020-02-20
pdf - 405 KB
日付 / バージョン
2017-10-24
pdf - 504 KB

ドキュメント

ドキュメント

Installation Instructions P726T0001

P-726.xx QuickLock Thread Adapters for P-726 PIFOC

日付 / バージョン
2020-02-20
pdf - 736 KB
英語

3D モデル

3D モデル

3-D-model P-726.1x

zip - 38 KB
3D モデル

3-D-model P-726.0x

zip - 57 KB

Quote / Order

Ask for a free quote on quantities required, prices, and lead times or describe your desired modification.

見積取得方法

見積/発注をクリック
見積リストに製品バリアントを追加する
見積フォームを記入する
PIに価格リクエストを送信
すぐにご連絡いたします

お問い合わせ

担当者よりお問合せにつきまして、すぐにご連絡をさせて頂きます。

Compatible Products