Preloaded piezo actuator; PICMA® piezo actuator drive; 15 µm travel range (open loop); 26 mm length; push force capacity 50 N; pull force capacity 10 N; LEMO connector; 1 m cable length
P-820 Preloaded Piezo Actuators
For Medium Loads and Forces
- Outstanding lifetime due to PICMA® piezo actuators
- Travel range to 45 µm
- Push force capacity to 50 N
- Pull force capacity to 10 N
- µs response time, sub-nm resolution
- Variants with spherical tip
Application fields
- Static and dynamic precision positioning
- Fiber positioning
- Laser tuning
- Nanotechnology
Outstanding lifetime thanks to PICMA® piezo actuators
The PICMA® piezo actuators are all-ceramic insulated. This protects them against humidity and failure resulting from an increase in leakage current. PICMA® actuators offer an up to ten times longer lifetime than conventional polymer-insulated actuators. 100 billion cycles without a single failure are proven.
Specifications
Specifications
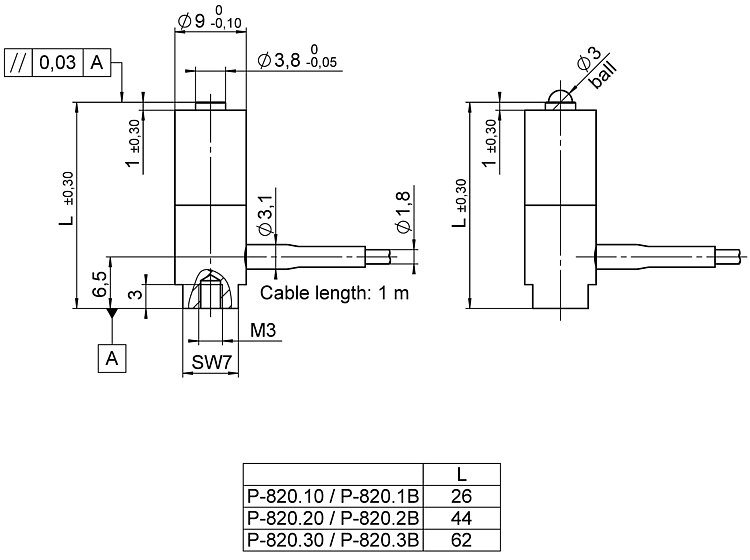
| Motion | P-820.10 | P-820.1B | P-820.20 | P-820.30 | P-820.3B | Tolerance |
|---|---|---|---|---|---|---|
| Active axes | Z | Z | Z | Z | Z | |
| Travel range in Z, open loop, at 0 to 100 V | 15 µm | 15 µm | 30 µm | 45 µm | 45 µm | ±20 % |
| Positioning | P-820.10 | P-820.1B | P-820.20 | P-820.30 | P-820.3B | Tolerance |
| Resolution in Z, open loop | 0.15 nm | 0.15 nm | 0.3 nm | 0.45 nm | 0.45 nm | typ. |
| Drive Properties | P-820.10 | P-820.1B | P-820.20 | P-820.30 | P-820.3B | Tolerance |
| Drive type | PICMA® | PICMA® | PICMA® | PICMA® | PICMA® | |
| Electrical capacitance in Z | 0.3 µF | 0.3 µF | 0.7 µF | 1 µF | 1 µF | ±20 % |
| Mechanical Properties | P-820.10 | P-820.1B | P-820.20 | P-820.30 | P-820.3B | Tolerance |
| Stiffness in Z | 13 N/µm | 13 N/µm | 7 N/µm | 4 N/µm | 4 N/µm | ±20 % |
| Resonant frequency in Z, unloaded | 22 kHz | 22 kHz | 15 kHz | 12 kHz | 12 kHz | ±20 % |
| Permissible push force in Z | 50 N | 50 N | 50 N | 50 N | 50 N | max. |
| Permissible pull force in Z | 10 N | 10 N | 10 N | 10 N | 10 N | max. |
| Overall mass | 8 g | 8 g | 11 g | 14 g | 14 g | ±5 % |
| Material | Housing / tip material: Stainless steel. | Housing / tip material: Stainless steel. | Housing / tip material: Stainless steel. | Housing / tip material: Stainless steel. | Housing / tip material: Stainless steel. | |
| Length | 26 mm | 26 mm | 44 mm | 62 mm | 62 mm | ±0,3 mm |
| Mechanical interface | Spherical tip | Spherical tip | ||||
| Miscellaneous | P-820.10 | P-820.1B | P-820.20 | P-820.30 | P-820.3B | Tolerance |
| Operating temperature range | -20 to 80 °C | -20 to 80 °C | -20 to 80 °C | -20 to 80 °C | -20 to 80 °C | |
| Connector | LEMO FFA.00.250 | LEMO FFA.00.250 | LEMO FFA.00.250 | LEMO FFA.00.250 | LEMO FFA.00.250 | |
| Cable length | 1 m | 1 m | 1 m | 1 m | 1 m | |
| Recommended controllers / drivers | E-503, E-505, E-610, E-617, E-621, E-625, E-663, E-665, E-709, E-831 | E-503, E-505, E-610, E-617, E-621, E-625, E-663, E-665, E-709, E-831 | E-503, E-505, E-610, E-617, E-621, E-625, E-663, E-665, E-709, E-831 | E-503, E-505, E-610, E-617, E-621, E-625, E-663, E-665, E-709, E-831 | E-503, E-505, E-610, E-617, E-621, E-625, E-663, E-665, E-709, E-831 |
Stiffness in Z: Static large-signal stiffness; dynamic small-signal stiffness is approx. 30 % higher.
The resolution of the system is only limited by the noise of the amplifier and measuring technology because PI piezo actuators are free of friction.
Quote / Order
Ask for a free quote on quantities required, prices, and lead times or describe your desired modification.
Preloaded piezo actuator; PICMA® piezo actuator drive; 15 µm travel range (open loop); 26 mm length; push force capacity 50 N; pull force capacity 10 N; spherical tip; LEMO connector; 1 m cable length
Preloaded piezo actuator; PICMA® piezo actuator drive; 30 µm travel range (open loop); 44 mm length; push force capacity 50 N; pull force capacity 10 N; LEMO connector; 1 m cable length
Preloaded piezo actuator; PICMA® piezo actuator drive; 45 µm travel range (open loop); 62 mm length; push force capacity 50 N; pull force capacity 10 N; LEMO connector; 1 m cable length
Preloaded piezo actuator; PICMA® piezo actuator drive; 45 µm travel range (open loop); 62 mm length; push force capacity 50 N; pull force capacity 10 N; spherical tip; LEMO connector; 1 m cable length
















