Goniometer with flat contact surface; 2-phase stepper motor; 12° rotational angle; 35 N payload; 10 °/s maximum angular velocity; ball screw; incremental linear encoder, 0.8305 µrad sensor resolution, rotational, A/B quadrature, RS-422; magnetic limit switches
L-886 Compact and Versatile Goniometer
High-Performance and Cost-Efficient
- Compact, stackable design with high flexibility: Thanks to its compact design and the ability to combine two goniometers with identical centers of rotation, the L-886 offers maximum flexibility for precise multichannel photonics alignment applications.
- Cost-effective complete solution for demanding applications: Unlike comparable solutions, the system offers an attractively priced alternative while meeting requirements such as 24/7 operation, large formats, and industrial operating conditions.
- Enhanced system compatibility and modern control integration: The system supports modern communication standards such as EtherCAT (e.g., with ACS controls) and can therefore easily be integrated into existing automated production environments.







The L-886 is an accurate, cost-effective goniometer stage. It is based on a stepper motor combined with a linear measurement system for high accuracy. The L-886 is designed for cost conscious applications including micro assembly, component alignment, electronics manufacturing, and inspection.
Cost-effective solution, specifically designed for rapid alignment in multichannel photonics
Small, precise, and fast
Applications and use cases
Industrial Automation applications:
Micro component placement
Alignment applications:
Optical part alignment
Technology
The L-886 spindle-driven goniometer stages are ideally suited for industrial applications requiring high performance in a compact design. Their high performance is powered by high-resolution stepper motors, high-precision crossed roller guides, and precision linear encoders.
High-resolution 2-phase motors offer performance comparable to that of 5-phase stepper motors, but without the need for expensive drive electronics. Additional linear encoders provide high repeatability during operation.
Installation and usage
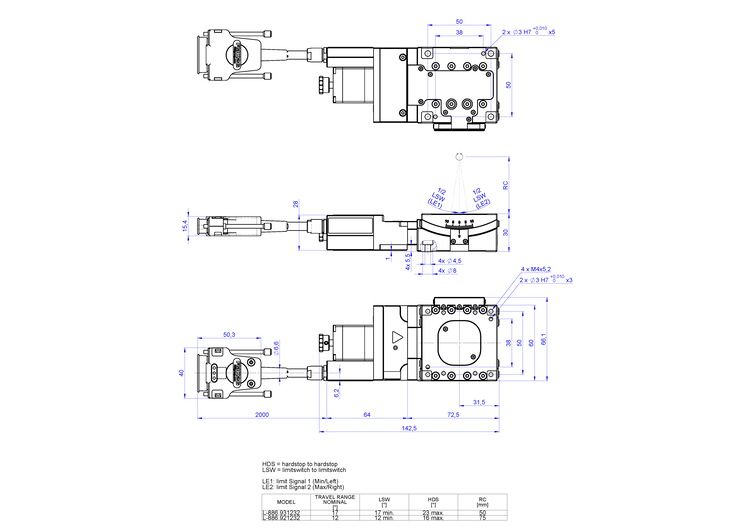
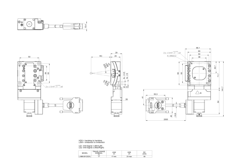
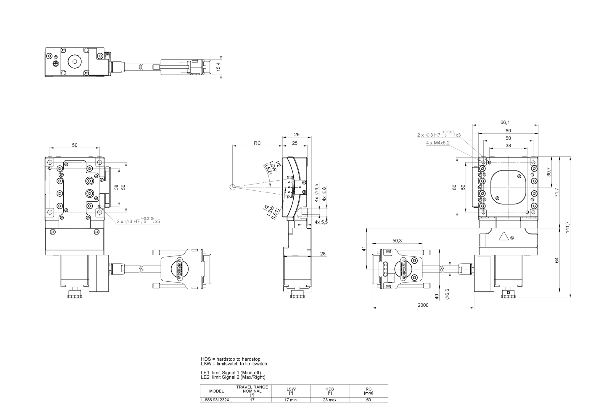
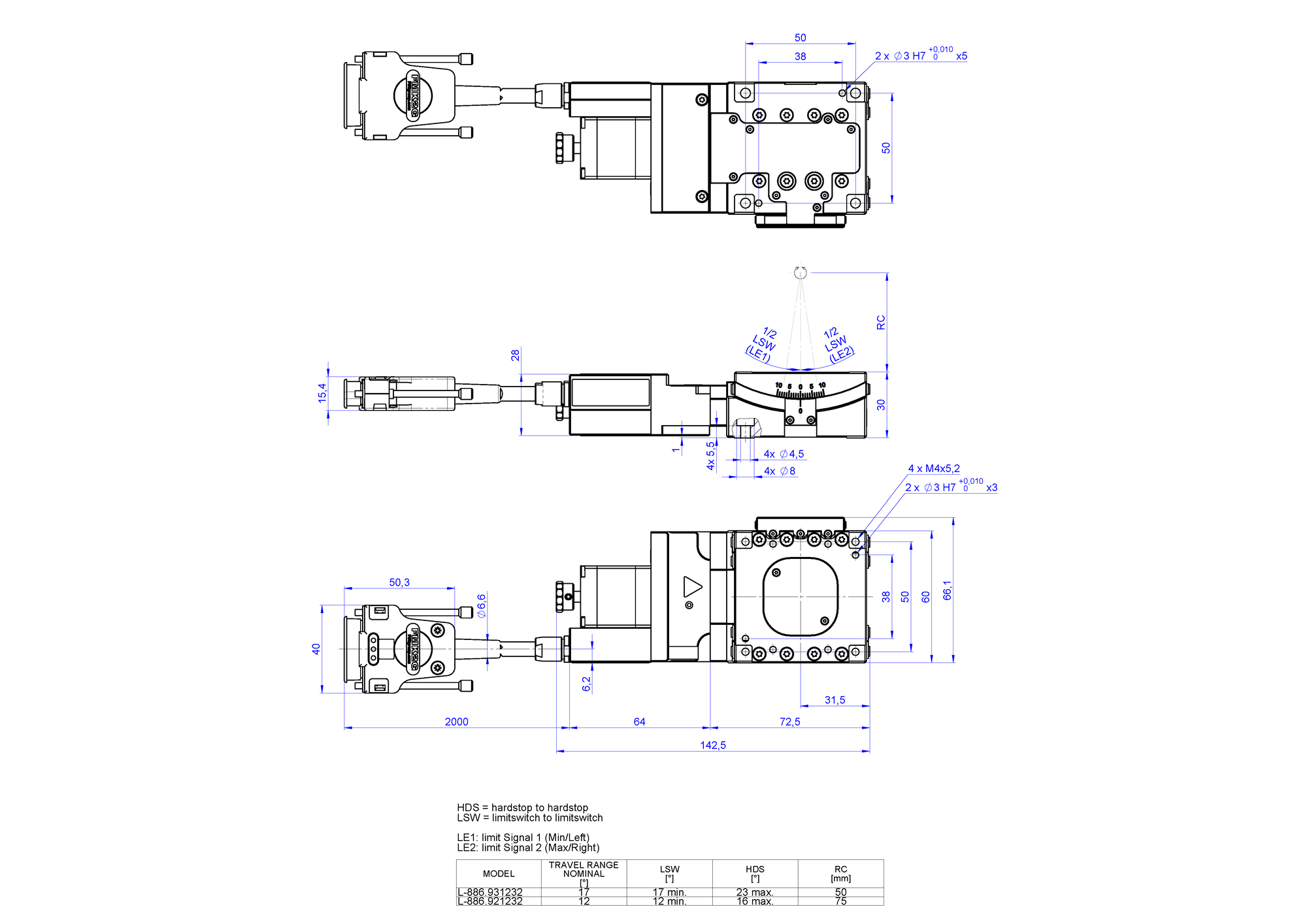
The goniometers can be mounted onto L-836 linear stages. The L-886 models are stackable for 2-axis motion. If an L-886.931232X is mounted onto an L-886.921232[X], the models will have a common center of rotation.
Specifications
Specifications
| Motion | Unit | Tolerance | L-886.921232 /L-886.921232X | L-886.931232 /L-886.931232X[L] |
|---|---|---|---|---|
| Active axes | θY | θY | ||
| Rotation range | ° | 12 | 17 | |
| Maximum angular velocity, unloaded | °/s | 10 | 10 | |
| Deviation from center of rotation | μm | max. | 10 | 10 |
| Positioning | Unit | Tolerance | L-886.921232 /L-886.921232X | L-886.931232 /L-886.931232X[L] |
| Minimum incremental motion | μrad | typ. | 5 | |
| Bidirectional repeatability | μrad | typ. | 35 | |
| Reference switch | Hall effect, N/C contact, 5 V, NPN | |||
| Limit switches | Hall effect, N/C contact, 5 V, NPN | |||
| Integrated sensor | Incremental linear encoder | |||
| Sensor signal | A/B quadrature, RS-422 | |||
| Sensor resolution, rotational | μrad | 0.8305 | 1.122 | |
| Drive properties | Unit | Tolerance | L-886.921232 /L-886.921232X | L-886.931232 /L-886.931232X[L] |
| Drive type | 2-phase stepper motor | |||
| Nominal voltage | V | 24 | ||
| Peak current per phase, RMS | A | typ. | 1.5 | |
| Maximum power consumption | W | 8 | ||
| Motor resolution | Full steps/rev. | 200 | ||
| Phase resistance | Ω | typ. | 1.18 | |
| Phase inductance | mH | 0.96 | ||
| Mechanical properties | Unit | Tolerance | L-886.921232 /L-886.921232X | L-886.931232 /L-886.931232X[L] |
| Permissible push force in Z | N | max. | 35 | 35 |
| Drive torque | Nm | 2.6 | 1.7 | |
| Holding torque, passive | Nm | 0.8 | 0.55 | |
| Distance of center of rotation to platform surface | mm | ±1 mm | 75 | 50 |
| Drive screw type | Ball screw | |||
| Spindle pitch | mm | 1 | ||
| Guide | Crossed roller guide | |||
| Material | Aluminum, black anodized; stainless steel | |||
| Overall mass | g | 730 / 710 | 730 / 710 | |
| Mass without cables | g | 530 / 500 | 530 / 500 | |
| Miscellaneous | Unit | Tolerance | L-886.921232 /L-886.921232X | L-886.931232 /L-886.931232X[L] |
| Operating temperature range | °C | 5 to 40 | ||
| Connector | HD D-sub 26 (m) | |||
| Cable exit | L-886.9x1232[X]: straight, backwardsL-886.931232XL: angled, 90°, to the left | |||
| Recommended controllers/drivers | C-663G-901G-910Modular ACS controller | |||
At PI, technical data is specified at 22 ±3 °C. Unless otherwise stated, the values are for unloaded conditions. Some properties are interdependent. The designation "typ." indicates a statistical average for a property; it does not indicate a guaranteed value for every product supplied. During the final inspection of a product, only selected properties are analyzed, not all. Please note that some product characteristics may deteriorate with increasing operating time.
Downloads
データシート
ドキュメント
User Manual L886UM0001
L-886 Goniometer Stage
3D モデル
L-886 3D Model
Ask for a free quote on quantities required, prices, and lead times or describe your desired modification.
Ordering information
Goniometer for stacked systems; 2-phase stepper motor; 12° rotational angle; 35 N payload; 10 °/s maximum angular velocity; ball screw; incremental linear encoder, 0.8305 µrad sensor resolution, rotational, A/B quadrature, RS-422; magnetic limit switches
Goniometer with flat contact surface; 2-phase stepper motor; 17° rotational angle; 35 N payload; 10 °/s maximum angular velocity; ball screw; incremental linear encoder, 1.122 µrad sensor resolution, rotational, A/B quadrature, RS-422; magnetic limit switches
Goniometer for stacked systems; 2-phase stepper motor; 17° rotational angle; 35 N payload; 10 °/s maximum angular velocity; ball screw; incremental linear encoder, 1.122 µrad sensor resolution, rotational, A/B quadrature, RS-422; magnetic limit switches
Goniometer for stacked systems; 2-phase stepper motor; 17° rotational angle; 35 N payload; 10 °/s maximum angular velocity; ball screw; incremental linear encoder, 1.122 µrad sensor resolution, rotational, A/B quadrature, RS-422; magnetic limit switches; cable exit angled, 90°, to the left












