Precision XY stage; 2-phase stepper motor; 102 mm × 102 mm travel range (X × Y); 200 N load capacity; 35 mm/s × 35 mm/s maximum velocity; ball screw
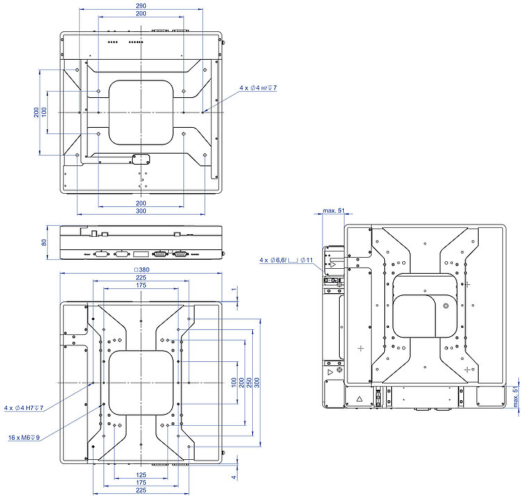
L-738 Precision XY Stage
Clear Aperture, High Run-Out Accuracy, and Stability
- Travel range 102 mm × 102 mm (4")
- Large aperture, 150 mm × 150 mm
- Unidirectional repeatability to 0.025 µm
- Velocity to 90 mm/s
- 2-phase stepper motors, DC motors
- Incremental linear encoder with 1 nm resolution
Highly accurate position measuring with incremental linear encoder
Noncontact optical linear encoders measure the position directly at the platform with the greatest accuracy. Nonlinearity, mechanical play or elastic deformation have no influence on the measurement.
Optical reference and limit switches.
Recirculating ball bearings
When carefully assembled, recirculating ball bearings are distinguished by a beneficial combination of high load capacity, lifetime, and guiding accuracy.
Drive types
- 2-phase stepper motor for high torque even at low velocities and higher resolution
- DC motor for high velocity constancy, low vibration, and high velocities
Application fields
Medical industry. Laser cutting. Biotechnology. Measuring technology. Microscopy.
Specifications
Specifications
| Motion | L-738.051100 | L-738.051111 | L-738.051112 | L-738.053111 | L-738.053112 | L-738.053132 | Tolerance |
|---|---|---|---|---|---|---|---|
| Active axes | X ǀ Y | X ǀ Y | X ǀ Y | X ǀ Y | X ǀ Y | X ǀ Y | |
| Travel range in X | 102 mm | 102 mm | 102 mm | 102 mm | 102 mm | 102 mm | |
| Travel range in Y | 102 mm | 102 mm | 102 mm | 102 mm | 102 mm | 102 mm | |
| Maximum velocity in X, unloaded | 35 mm/s | 35 mm/s | 35 mm/s | 50 mm/s | 50 mm/s | 90 mm/s | |
| Maximum velocity in Y, unloaded | 35 mm/s | 35 mm/s | 35 mm/s | 50 mm/s | 50 mm/s | 90 mm/s | |
| Orthogonality | ± 96.96 µrad | ± 96.96 µrad | ± 96.96 µrad | ± 96.96 µrad | ± 96.96 µrad | ± 96.96 µrad | typ. |
| Straightness error E_XY (straightness) | ± 2 µm | ± 2 µm | ± 2 µm | ± 2 µm | ± 2 µm | ± 2 µm | typ. |
| Straightness error E_YX (straightness) | ± 2 µm | ± 2 µm | ± 2 µm | ± 2 µm | ± 2 µm | ± 2 µm | typ. |
| Straightness error E_ZX (flatness) | ± 2 µm | ± 2 µm | ± 2 µm | ± 2 µm | ± 2 µm | ± 2 µm | typ. |
| Straightness error E_ZY (flatness) | ± 2 µm | ± 2 µm | ± 2 µm | ± 2 µm | ± 2 µm | ± 2 µm | typ. |
| Angular error E_AY (pitch) | ± 40 µrad | ± 40 µrad | ± 40 µrad | ± 40 µrad | ± 40 µrad | ± 40 µrad | typ. |
| Angular error E_BX (pitch) | ± 40 µrad | ± 40 µrad | ± 40 µrad | ± 40 µrad | ± 40 µrad | ± 40 µrad | typ. |
| Angular error E_CX (yaw) | ± 20 µrad | ± 20 µrad | ± 20 µrad | ± 20 µrad | ± 20 µrad | ± 20 µrad | typ. |
| Angular error E_CY (yaw) | ± 20 µrad | ± 20 µrad | ± 20 µrad | ± 20 µrad | ± 20 µrad | ± 20 µrad | typ. |
| Positioning | L-738.051100 | L-738.051111 | L-738.051112 | L-738.053111 | L-738.053112 | L-738.053132 | Tolerance |
| Minimum incremental motion in X | 0.2 µm | 0.05 µm | 0.05 µm | 0.1 µm | 0.1 µm | 0.4 µm | typ. |
| Minimum incremental motion in Y | 0.2 µm | 0.05 µm | 0.05 µm | 0.1 µm | 0.1 µm | 0.4 µm | typ. |
| Unidirectional repeatability in X | ± 0.1 µm | ± 0.025 µm | ± 0.025 µm | ± 0.05 µm | ± 0.05 µm | ± 0.2 µm | typ. |
| Unidirectional repeatability in Y | ± 0.1 µm | ± 0.025 µm | ± 0.025 µm | ± 0.05 µm | ± 0.05 µm | ± 0.2 µm | typ. |
| Bidirectional repeatability in X | 4 µm | 1 µm | 1 µm | 1 µm | 1 µm | 4 µm | typ. |
| Bidirectional repeatability in Y | 4 µm | 1 µm | 1 µm | 1 µm | 1 µm | 4 µm | typ. |
| Reference switch | Forked photoelectric sensor, N/C contact, 5 V, NPN | Forked photoelectric sensor, N/C contact, 5 V, NPN | Forked photoelectric sensor, N/C contact, 5 V, NPN | Forked photoelectric sensor, N/C contact, 5 V, NPN | Forked photoelectric sensor, N/C contact, 5 V, NPN | Forked photoelectric sensor, N/C contact, 5 V, NPN | |
| Reference switch repeatability | 1 µm | 1 µm | 1 µm | 1 µm | 1 µm | 1 µm | |
| Limit switches | Forked photoelectric sensor, N/C contact, 5 V, NPN | Forked photoelectric sensor, N/C contact, 5 V, NPN | Forked photoelectric sensor, N/C contact, 5 V, NPN | Forked photoelectric sensor, N/C contact, 5 V, NPN | Forked photoelectric sensor, N/C contact, 5 V, NPN | Forked photoelectric sensor, N/C contact, 5 V, NPN | |
| Integrated sensor | — | Incremental linear encoder | Incremental linear encoder | Incremental linear encoder | Incremental linear encoder | — | |
| Sensor signal | — | Sin/cos, 1 V peak-to-peak | A/B quadrature, RS-422 | Sin/cos, 1 V peak-to-peak | A/B quadrature, RS-422 | — | |
| Sensor signal period | — | 20 µm | — | 20 µm | — | — | |
| Sensor resolution | — | 1 nm | 10 nm | 1 nm | 10 nm | — | |
| Motor encoder | — | — | — | — | — | Incremental rotary encoder | |
| Motor encoder: Sensor signal | — | — | — | — | — | A/B quadrature, RS-422 | |
| Resolution, motor encoder | — | — | — | — | — | 20000 Cts./rev. | |
| Drive properties | L-738.051100 | L-738.051111 | L-738.051112 | L-738.053111 | L-738.053112 | L-738.053132 | Tolerance |
| Drive type | 2-phase stepper motor | 2-phase stepper motor | 2-phase stepper motor | DC motor | DC motor | DC motor | |
| Nominal voltage | 4 V | 4 V | 4 V | — | — | — | |
| Nominal current, RMS | 1.2 A | 1.2 A | 1.2 A | 3.9 A | 3.9 A | 3.9 A | typ. |
| Motor resolution | 200 Full steps/rev. | 200 Full steps/rev. | 200 Full steps/rev. | — | — | — | |
| Drive force in X | 100 N | 100 N | 100 N | 100 N | 100 N | 100 N | typ. |
| Drive force in Y | 100 N | 100 N | 100 N | 100 N | 100 N | 100 N | typ. |
| Resistance phase-phase | 3.3 Ω | 3.3 Ω | 3.3 Ω | 0.62 Ω | 0.62 Ω | 0.62 Ω | typ. |
| Inductance phase-phase | 2.8 mH | 2.8 mH | 2.8 mH | 0.13 mH | 0.13 mH | 0.13 mH | |
| Operating voltage | — | — | — | 24 V | 24 V | 24 V | |
| Torque constant | — | — | — | 0.333 N·m/A | 0.333 N·m/A | 0.333 N·m/A | typ. |
| Back EMF, phase-phase, rotational | — | — | — | 3.5 V/kRPM | 3.5 V/kRPM | 3.5 V/kRPM | max. |
| Number of pole pairs | — | — | — | 1 | 1 | 1 | |
| Mechanical properties | L-738.051100 | L-738.051111 | L-738.051112 | L-738.053111 | L-738.053112 | L-738.053132 | Tolerance |
| Permissible push force in Z | 200 N | 200 N | 200 N | 200 N | 200 N | 200 N | max. |
| Permissible torque in θX | 130 N·m | 130 N·m | 130 N·m | 130 N·m | 130 N·m | 130 N·m | max. |
| Permissible torque in θY | 130 N·m | 130 N·m | 130 N·m | 130 N·m | 130 N·m | 130 N·m | max. |
| Permissible torque in θZ | 90 N·m | 90 N·m | 90 N·m | 90 N·m | 90 N·m | 90 N·m | max. |
| Holding force in X, passive | 60 N | 60 N | 60 N | 20 N | 20 N | 20 N | |
| Holding force in Y, passive | 60 N | 60 N | 60 N | 20 N | 20 N | 20 N | |
| Moved mass in X, unloaded | 13.8 g | 13.8 g | 13.8 g | 14.6 g | 14.6 g | 14.6 g | |
| Moved mass in Y, unloaded | 5.8 g | 5.8 g | 5.8 g | 5.8 g | 5.8 g | 5.8 g | |
| Drive screw type | Ball screw | Ball screw | Ball screw | Ball screw | Ball screw | Ball screw | |
| Drive screw pitch | 2 mm | 2 mm | 2 mm | 2 mm | 2 mm | 2 mm | |
| Guide | Recirculating ball bearing guide | Recirculating ball bearing guide | Recirculating ball bearing guide | Recirculating ball bearing guide | Recirculating ball bearing guide | Recirculating ball bearing guide | |
| Overall mass | 22000 g | 22000 g | 22000 g | 24000 g | 24000 g | 24000 g | |
| Material | Aluminum, black anodized | Aluminum, black anodized | Aluminum, black anodized | Aluminum, black anodized | Aluminum, black anodized | Aluminum, black anodized | |
| Miscellaneous | L-738.051100 | L-738.051111 | L-738.051112 | L-738.053111 | L-738.053112 | L-738.053132 | Tolerance |
| Operating temperature range | 5 to 40 °C | 5 to 40 °C | 5 to 40 °C | 5 to 40 °C | 5 to 40 °C | 5 to 40 °C | |
| Connector | 2 × HD D-sub 26 (m) | 2 × HD D-sub 26 (m) | 2 × HD D-sub 26 (m) | 2 × HD D-sub 26 (m) | 2 × HD D-sub 26 (m) | 2 × HD D-sub 26 (m) | |
| Sensor connector | — | 2 × D-sub 15 (f) | — | 2 × D-sub 15 (f) | — | — | |
| Recommended controllers/drivers | G-901.R319 G-902.R2E001 C-663.12, C-885 with C-663.12C885 ACS modular controller | G-901.R319 G-902.R2E001 ACS modular controller | G-901.R319 G-902.R2E001 C-663.12, C-885 with C-663.12C885 ACS modular controller | G-901.R319 G-902.R2E001 ACS modular controller | G-901.R319 G-902.R2E001 C-863, C-885 with C-863.20C885 C-884.4DC, C-884.6DC ACS modular controller | G-901.R319 G-902.R2E001 C-863, C-885 with C-863.20C885 C-884.4DC, C-884.6DC ACS modular controller |
Note on nominal current, RMS: value per motor phase
At PI, technical data is specified at 22 ±3 °C. Unless otherwise stated, the values are for unloaded conditions. Some properties are interdependent. The designation "typ." indicates a statistical average for a property; it does not indicate a guaranteed value for every product supplied. During the final inspection of a product, only selected properties are analyzed, not all. Please note that some product characteristics may deteriorate with increasing operating time.
Downloads
データシート
ドキュメント
User Manual MP183
L-738 / V-738 Precision XY Stage
3D モデル
3-D model L-738
Ask for a free quote on quantities required, prices, and lead times or describe your desired modification.
Precision XY stage; 2-phase stepper motor; 102 mm × 102 mm travel range (X × Y); 200 N load capacity; 35 mm/s × 35 mm/s maximum velocity; ball screw; incremental linear encoder, 20 µm sensor signal period, sin/cos, 1 V peak-peak
Precision XY stage; 2-phase stepper motor; 102 mm x 102 mm travel range (X × Y); 200 N load capacity; 35 mm/s × 35 mm/s maximum velocity; ball screw; incremental linear encoder, 10 nm sensor resolution, A/B quadrature, RS-422
Precision XY stage; DC motor; 102 mm × 102 mm travel range (X × Y); 200 N load capacity; 50 mm/s × 50 mm/s maximum velocity; ball screw; incremental linear encoder, 20 µm sensor signal period, sin/cos, 1 V peak-peak
Precision XY stage; DC motor; 102 mm x 102 mm travel range (X × Y); 200 N load capacity; 50 mm/s × 50 mm/s maximum velocity; ball screw; incremental linear encoder, 10 nm sensor resolution, A/B quadrature, RS-422
Precision XY stage; DC motor; 102 mm × 102 mm travel range (X × Y); 200 N load capacity; 90 mm/s × 90 mm/s maximum velocity; ball screw; incremental rotary encoder, 20000 counts/rev resolution, A/B quadrature, RS-422



















