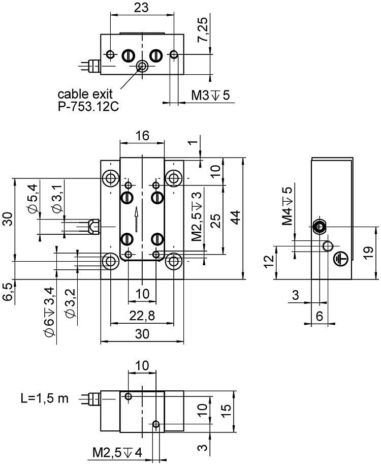
LISA linear actuator and positioning stage; 15 µm travel range; capacitive, direct position measuring; LEMO LVPZT; 1.5 m cable length
P-753 LISA Linear Actuator and Positioning Stage
Dynamic and Stable in Position
- Guided stage and actuator at the same time
- Travel range up to 38 µm
- Resolution 0.1 nm
- Particularly fast response behavior due to direct drive
- Highest linearity due to capacitive sensors




Application fields
- Scanning microscopy
- Measuring technology
- Test procedures and quality assurance
- Photonics
- Fiber positioning
Outstanding lifetime due to PICMA® piezo actuators
The PICMA® piezo actuators are all-ceramic insulated. This protects them against humidity and failure resulting from an increase in leakage current. PICMA® actuators offer an up to ten times longer lifetime than conventional polymer-insulated actuators. 100 billion cycles without a single failure are proven.
Subnanometer resolution with capacitive sensors
Capacitive sensors measure with subnanometer resolution without contacting. They guarantee excellent linearity of motion, long-term stability, and a bandwidth in the kHz range.
High guiding accuracy due to zero-play flexure guides
Flexure guides are free of maintenance, friction, and wear, and do not require lubrication. Their stiffness allows high load capacity and they are insensitive to shock and vibration. They work in a wide temperature range.
Maximum accuracy due to direct position measuring
Motion is measured directly at the motion platform without any influence from the drive or guide elements. This allows optimal repeatability, outstanding stability, and stiff, fast-responding control.
Higher stiffness and dynamics due to PICMA® direct drive
Piezo nanopositioners with PICMA® direct drive have no mechanical translation. This allows fast response speeds as well as the highest possible stiffness and dynamics in the piezo drive range.
Specifications
Specifications
| Motion | P-753.11C | P-753.1CD | P-753.21C | P-753.2CD | P-753.31C | P-753.3CD | Tolerance |
|---|---|---|---|---|---|---|---|
| Active axes | X | X | X | X | X | X | |
| Travel range in X | 15 µm | 15 µm | 30 µm | 30 µm | 38 µm | 38 µm | |
| Linearity error, closed loop | 0.03 % | 0.03 % | 0.03 % | 0.03 % | 0.03 % | 0.03 % | typ. |
| Angular error E_BX (pitch) | ± 5 µrad | ± 5 µrad | ± 7 µrad | ± 7 µrad | ± 10 µrad | ± 10 µrad | typ. |
| Angular error E_CX (yaw) | ± 5 µrad | ± 5 µrad | ± 7 µrad | ± 7 µrad | ± 10 µrad | ± 10 µrad | typ. |
| Positioning | P-753.11C | P-753.1CD | P-753.21C | P-753.2CD | P-753.31C | P-753.3CD | Tolerance |
| Integrated sensor | Capacitive, direct position measuring | Capacitive, direct position measuring | Capacitive, direct position measuring | Capacitive, direct position measuring | Capacitive, direct position measuring | Capacitive, direct position measuring | |
| System resolution in X | 0.1 nm | 0.1 nm | 0.2 nm | 0.2 nm | 0.25 nm | 0.25 nm | |
| Drive Properties | P-753.11C | P-753.1CD | P-753.21C | P-753.2CD | P-753.31C | P-753.3CD | Tolerance |
| Drive type | PICMA® | PICMA® | PICMA® | PICMA® | PICMA® | PICMA® | |
| Electrical capacitance in X | 1.5 µF | 1.5 µF | 3.1 µF | 3.1 µF | 4.6 µF | 4.6 µF | ±20 % |
| Mechanical Properties | P-753.11C | P-753.1CD | P-753.21C | P-753.2CD | P-753.31C | P-753.3CD | Tolerance |
| Stiffness in X | 45 N/µm | 45 N/µm | 24 N/µm | 24 N/µm | 16 N/µm | 16 N/µm | ±20 % |
| Resonant frequency in X, unloaded | 5600 Hz | 5600 Hz | 3700 Hz | 3700 Hz | 2900 Hz | 2900 Hz | ±20 % |
| Resonant frequency in X, under load with 200 g | 2500 Hz | 2500 Hz | 1700 Hz | 1700 Hz | 1400 Hz | 1400 Hz | ±20 % |
| Permissible push force in X | 100 N | 100 N | 100 N | 100 N | 100 N | 100 N | max. |
| Permissible push force in Z | 80 N | 80 N | 90 N | 90 N | 100 N | 100 N | max. |
| Permissible pull force in X | 20 N | 20 N | 20 N | 20 N | 20 N | 20 N | max. |
| Guide | Flexure guide with lever amplification | Flexure guide with lever amplification | Flexure guide with lever amplification | Flexure guide with lever amplification | Flexure guide with lever amplification | Flexure guide with lever amplification | |
| Overall mass | 160 g | 160 g | 215 g | 215 g | 260 g | 260 g | ±5 % |
| Material | Steel | Steel | Steel | Steel | Steel | Steel | |
| Miscellaneous | P-753.11C | P-753.1CD | P-753.21C | P-753.2CD | P-753.31C | P-753.3CD | Tolerance |
| Operating temperature range | -20 to 80 °C | -20 to 80 °C | -20 to 80 °C | -20 to 80 °C | -20 to 80 °C | -20 to 80 °C | |
| Connector | LEMO LVPZT | D-sub 7W2 (m) | LEMO LVPZT | D-sub 7W2 (m) | LEMO LVPZT | D-sub 7W2 (m) | |
| Sensor connector | LEMO for capacitive sensors | — | LEMO for capacitive sensors | — | LEMO for capacitive sensors | — | |
| Cable length | 1.5 m | 1.5 m | 1.5 m | 1.5 m | 1.5 m | 1.5 m | +50 / -0 mm |
| Recommended controllers / drivers | E-625, E-709.1C1L, E-754 | E-625, E-709.1C1L, E-754 | E-625, E-709.1C1L, E-754 | E-625, E-709.1C1L, E-754 | E-625, E-709.1C1L, E-754 | E-625, E-709.1C1L, E-754 |
The resolution of the system is limited only by the noise of the amplifier and the measuring technology because PI piezo nanopositioning systems are free of friction.
At PI, technical data is specified at 22 ±3 °C. Unless otherwise stated, the values are for unloaded conditions. Some properties are interdependent. The designation "typ." indicates a statistical average for a property; it does not indicate a guaranteed value for every product supplied. During the final inspection of a product, only selected properties are analyzed, not all. Please note that some product characteristics may deteriorate with increasing operating time.
Downloads
製品についての注意事項
Product Change Notification Piezo Actuator Driven Products
データシート
ドキュメント
User Manual PZ254 (英語)
P-753 LISA High-Dynamics Piezo Nanopositioning Systems
3D モデル
P-753 3-D model
Ask for a free quote on quantities required, prices, and lead times or describe your desired modification.
LISA linear actuator and positioning stage; 15 µm travel range; capacitive, direct position measuring; D-sub 7W2 (m); 1.5 m cable length
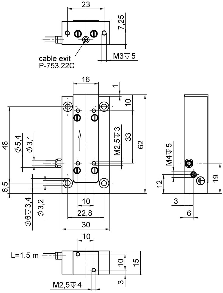
LISA linear actuator and positioning stage; 30 µm travel range; capacitive, direct position measuring; LEMO LVPZT; 1.5 m cable length
LISA linear actuator and positioning stage; 30 µm travel range; capacitive, direct position measuring; D-sub 7W2 (m); 1.5 m cable length
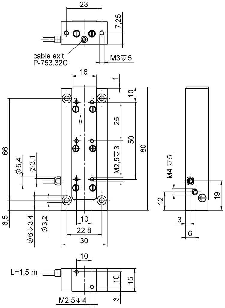
LISA linear actuator and positioning stage; 38 µm travel range; capacitive, direct position measuring; LEMO LVPZT; 1.5 m cable length
LISA linear actuator and positioning stage; 38 µm travel range; capacitive, direct position measuring; D-sub 7W2 (m); 1.5 m cable length
見積取得方法
お問い合わせ
担当者よりお問合せにつきまして、すぐにご連絡をさせて頂きます。
テクノロジー

PICMA® テクノロジー
特許取得済みの多層アクチュエータの製造技術は、高い信頼性と長寿命をお約束いたします。

真空
慎重な取り扱いと確かな根拠: PIは、原材料やコンポーネント、最終製品の品質保証に必要な設備だけでなく、長年にわたる高真空および超高真空ポジショニングシステムに関する経験を有しています。

フレクシャガイドシステム
PI社のフレクシャガイドは、ナノポジショニングの世界においてその価値を証明しています。フレクシャガイドはピエゾをガイドし、傾きや横方向へのズレがない直進性を保証します。

静電容量センサ
静電容量センサは、もっとも要求事項の厳しいナノポジショニング用途に適した計測システムです。











