E-836 Compact Piezo Amplifier / OEM Module
Cost-Effective, Low-Noise Piezo Amplifiers for Dynamic Piezo Actuator Operation
- OEM module and benchtop device
- Peak current up to 100 mA
- Easy integration
- Power on/off without voltage spikes
- 24 V operating voltage
Single-channel piezo amplifier: OEM module or benchtop device
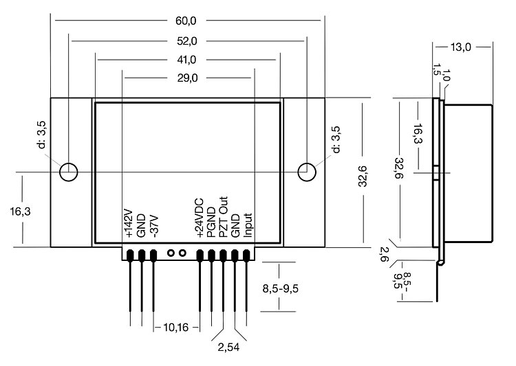
Compact OEM module in shielded metal housing; easy integration with soldering pins for mounting on boards; ideally suited for assembling multi-channel solutions. Benchtop device for laboratory applications and fast startup. 24 V operating voltage, piezo voltage and other supply voltages are generated internally.
Functions
Low-noise power amplifier. Gain value 10. Output voltage range -30 to 130 V. Short-circuit proof, full overcurrent and overtemperature protection.
Fields of application
Inexpensive control of PICMA® Stack or PICMA® Chip piezo actuators in OEM applications.
Specifications
Specifications
Amplifier | E-836.03 | E-836.1G |
|---|---|---|
Input voltage range | -2 to 12 V | -2 to 12 V |
Output voltage | -30 to 130 V | -30 to 130 V |
Peak current (<8 ms) | 100 mA | 100 mA |
Average output current | 50 mA | 50 mA |
Current limitation | Short-circuit proof | Short-circuit proof |
Voltage gain | 10 ±0.1 | 10 ±0.1 |
Ripple, noise, 0 to 100 kHz | 0.8 mVrms | 0.8 mVrms |
Capacitive base load (internal) | 10 nF | 10 nF |
Output impedance | 5 Ω | 5 Ω |
Input impedance | 0.5 MΩ | 1 MΩ |
Miscellaneous | E-836.03 | E-836.1G |
|---|---|---|
Connectors | Soldering pins, Ø 0.7 mm | BNC, LEMO Barrel connector (power adapter) 1-turn potentiometer, adds 0 to 10 V to the input voltage |
Operating temperature range | 5 to 50 °C | 5 to 50 °C |
Overtemperature protection | Deactivation at 85 °C | Deactivation at 85 °C |
Operating voltage | 24 V DC ±10 % | 24 V DC ±10 %, in the scope of delivery: External power adapter with 24V / 2.0 A |
Power consumption (max.) | 10 W | 16 W |
Current consumption (max.) | 0.5 A | 0.65 A |
Downloads
データシート
ドキュメント
User Manual PZ250 (英語)
E-836.1G Piezo Amplifier, 1 Channel, Bench-Top, -30 to 130 V
User Manual E836T0001
E-836.03 OEM Piezo Amplifier Module, 1 Channel, -30 to 130 V
Quote / Order
Ask for a free quote on quantities required, prices, and lead times or describe your desired modification.























