Piezo Z stage; 120 µm travel range (open loop); LEMO connector; 1.5 m cable length
P-611.Z Piezo Z Stage
Compact Nanopositioner
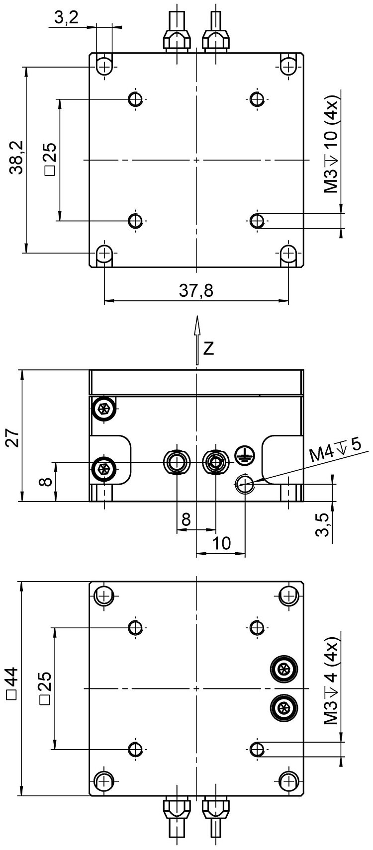
- Compact: Surface only 44 mm × 44 mm
- Travel range 100 µm
- Resolution to 0.2 nm
- Particularly inexpensive systems (mechanics and controller)
- Zero-play, high-precision flexure guide system
- Outstanding lifetime due to PICMA® piezo actuators
- X, XY, XZ and XYZ versions
Application fields
- Micromachining
- Photonics
- Fiber positioning
- Test procedures and quality assurance
Outstanding lifetime thanks to PICMA® piezo actuators
The PICMA® piezo actuators are all-ceramic insulated. This protects them against humidity and failure resulting from an increase in leakage current. PICMA® actuators offer an up to ten times longer lifetime than conventional polymer-insulated actuators. 100 billion cycles without a single failure are proven.
Specifications
Specifications
| Motion | P-611.Z0 | P-611.ZS | Tolerance |
|---|---|---|---|
| Active axes | Z | Z | |
| Travel range in Z, open loop | 120 µm | 120 µm | ±20 % |
| Yaw (Rotational crosstalk in θX with motion in Z) | ± 20 µrad | ± 20 µrad | typ. |
| Pitch (Rotational crosstalk in θY with motion in Z) | ± 5 µrad | ± 5 µrad | typ. |
| Roll (Rotational crosstalk in θZ with motion in Z) | ± 5 µrad | ± 5 µrad | typ. |
| Bandwidth, 10% step in Z | 40 Hz | 40 Hz | |
| Travel range in Z | 100 µm | ||
| Linearity error in Z | 0.1 % | typ. | |
| Positioning | P-611.Z0 | P-611.ZS | Tolerance |
| Resolution in Z, open loop | 0.2 nm | 0.2 nm | typ. |
| Settling time for 10% step in Z | 25 ms | 25 ms | |
| Bidirectional repeatability in Z | 5 nm | typ. | |
| Integrated sensor | SGS, indirect position measuring | ||
| System resolution in Z | 2 nm | ||
| Drive Properties | P-611.Z0 | P-611.ZS | Tolerance |
| Drive type | PICMA® | PICMA® | |
| Electrical capacitance in Z | 1.5 µF | 1.5 µF | ±20 % |
| Mechanical Properties | P-611.Z0 | P-611.ZS | Tolerance |
| Stiffness in Z | 0.45 N/µm | 0.45 N/µm | ±20 % |
| Resonant frequency in Z, unloaded | 460 Hz | 460 Hz | ±20 % |
| Resonant frequency in Z, under load with 30 g | 375 Hz | 375 Hz | ±20 % |
| Resonant frequency in Z, under load with 100 g | 265 Hz | 265 Hz | ±20 % |
| Permissible push force in Z | 15 N | 15 N | max. |
| Permissible pull force in Z | 10 N | 10 N | max. |
| Guide | Flexure guide with lever amplification | Flexure guide with lever amplification | |
| Overall mass | 176 g | 176 g | |
| Material | Aluminum, steel | Aluminum, steel | |
| Miscellaneous | P-611.Z0 | P-611.ZS | Tolerance |
| Operating temperature range | -20 to 80 °C | -20 to 80 °C | |
| Connector | LEMO FFS.00.250.CTCE24 | LEMO FFS.00.250.CTCE24 | |
| Cable length | 1.5 m | 1.5 m | |
| Recommended controllers / drivers | E-610, E-625, E-665, E-836 | E-610, E-625, E-665, E-709.SRG, E-836 | |
| Sensor connector | LEMO FFA.0S.304.CLAC32 |
The resolution of the system is limited only by the noise of the amplifier and the measuring technology because PI piezo nanopositioning systems are free of friction.
System properties
System configuration: P-611.ZS and E-665.SR controller with 30 g load
Downloads
データシート
ドキュメント
User Manual PZ253 (英語)
P-611 Nanopositioning Systems with Strain Gauge Sensors / without Sensor
Unpacking Instructions P611T0006
Unpacking and Handling of P-611 Positioners
3D モデル
P-611.Z 3-D model
Quote / Order
Ask for a free quote on quantities required, prices, and lead times or describe your desired modification.
Piezo Z stage; 100 µm travel range; SGS, indirect position measuring; LEMO connectors; 1.5 m cable length






















