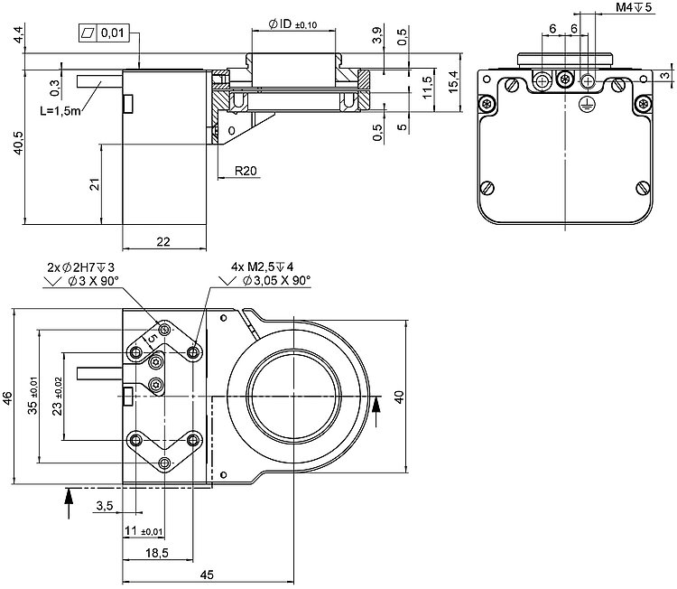
PIFOC scanner system for microscope objectives; fast step-and-settle; 100 µm travel range; capacitive, direct position measuring; D-sub 7W2 (m) connector; 1.5 m cable length. System consisting of P-725.1CDE1 PIFOC scanner and E-709.1C1L controller.
P-725.xCDE1S PIFOC Scanner System for Microscope Objectives
Dynamic focus scanner of the entry-level class for travel ranges up to 400 µm, incl. controller
- Travel range 100 µm or 400 µm
- Significantly faster response and longer lifetime than motorized drives
- Fine positioning of objectives with sub-nm resolution
- Large clear aperture with Ø 29 mm





Application fields
- Super-resolution microscopy
- Light disk microscopy
- Confocal microscopy
- 2-photon microscopy
- 3D imaging
- Screening
- Interferometry
- Measuring technology
- Autofocus systems
- Biotechnology
- Semiconductor inspection
PIFOC scanner system of the entry-level class
System consisting of P-725.xCDE1 PIFOC scanner and E-709.1C1L controller.
Outstanding lifetime thanks to PICMA®piezo actuators
PICMA® piezo actuators are all-ceramic insulated. This protects them against humidity and failure resulting from an increase in leakage current. PICMA® actuators offer an up to ten times longer lifetime than conventional polymer-insulated actuators. 100 billion cycles without a single failure are proven.
Subnanometer resolution with capacitive sensors
Capacitive sensors measure with subnanometer resolution without contacting. They guarantee excellent linearity of motion, long-term stability, and a bandwidth in the kHz range.
High guide accuracy due to zero-play flexure guides
Flexure guides are free of maintenance, friction, and wear, and do not require lubrication. Their stiffness allows high load capacity and they are insensitive to shock and vibration. They work in a wide temperature range.
Specifications
Specifications
| Motion | P-725.1CDE1S | P-725.4CDE1S | Tolerance |
|---|---|---|---|
| Active axes | Z | Z | |
| Travel range in Z | 100 µm | 400 µm | +20 % / -0 % |
| Travel range in Z, open loop | 120 µm | 420 µm | ±20 % |
| Linearity error in Z | 0.2 % | 0.2 % | max. |
| Positioning | P-725.1CDE1S | P-725.4CDE1S | Tolerance |
| Minimum incremental motion in Z | 2 nm | 4 nm | |
| Point repeatabilitiy, 10 % step, 1 sigma | 20 nm | 20 nm | max. |
| Integrated sensor | Capacitive, direct position measuring | Capacitive, direct position measuring | |
| Sensor noise, 1 sigma | 5 nm | 5 nm | max. |
| Drive Properties | P-725.1CDE1S | P-725.4CDE1S | Tolerance |
| Drive type | PICMA® | PICMA® | |
| Electrical capacitance in Z | 3.2 µF | 6.2 µF | ±20 % |
| Mechanical Properties | P-725.1CDE1S | P-725.4CDE1S | Tolerance |
| Stiffness in Z | 0.23 N/µm | 0.12 N/µm | min. |
| Resonant frequency in Z, unloaded | 470 Hz | 230 Hz | min. |
| Resonant frequency in Z, under load with 150 g | 185 Hz | 120 Hz | min. |
| Permissible push force in Z | 100 N | 100 N | max. |
| Permissible pull force in Z | 20 N | 20 N | max. |
| Guide | Flexure guide with lever amplification | Flexure guide with lever amplification | |
| Overall mass | 280 g | 280 g | ±5 % |
| Material | Stainless steel, aluminum | Stainless steel, aluminum | |
| Objective diameter | 39 mm | 39 mm | max. |
| Miscellaneous | P-725.1CDE1S | P-725.4CDE1S | Tolerance |
| Operating temperature range | 10 to 70 °C | 10 to 70 °C | |
| Connector | D-sub 7W2 (m) | D-sub 7W2 (m) | |
| Cable length | 1.5 m | 1.5 m | +50 mm / -0 mm |
| Controller | P-725.1CDE1S | P-725.4CDE1S | Tolerance |
| Controller type | E-709.1C1L | E-709.1C1L | |
| Application-related functions | Data recorder | Data recorder | |
| Communication interfaces | RS-232 ǀ SPI ǀ USB | RS-232 ǀ SPI ǀ USB | |
| Command set | GCS 2.0 | GCS 2.0 | |
| User software | PIMikroMove | PIMikroMove | |
| Software drivers | GCS DLL (with code examples for the most common programming languages such as C++, C#, VB.NET, Python, Delphi), driver for NI LabVIEW, MATLAB library | GCS DLL (with code examples for the most common programming languages such as C++, C#, VB.NET, Python, Delphi), driver for NI LabVIEW, MATLAB library | |
| I/O lines | 4 digital inputs, 4 digital outputs, 1 servo cycle output, 1 reset input (each TTL). I/O for external synchronization of the servo cycle (100 kHz). RxD and TxD for RS-485. | 4 digital inputs, 4 digital outputs, 1 servo cycle output, 1 reset input (each TTL). I/O for external synchronization of the servo cycle (100 kHz). RxD and TxD for RS-485. | |
| Controller's dimensions | 160 mm × 104 mm × 44 mm | 160 mm × 104 mm × 44 mm |
Linearity error: The specified value can only be reached with recommended digital controllers.
Position noise: 1 sigma
The objective is not included in the scope of delivery.
At PI, technical data is specified at 22 ±3 °C. Unless otherwise stated, the values are for unloaded conditions. Some properties are interdependent. The designation "typ." indicates a statistical average for a property; it does not indicate a guaranteed value for every product supplied. During the final inspection of a product, only selected properties are analyzed, not all. Please note that some product characteristics may deteriorate with increasing operating time.
Downloads
製品についての注意事項
Product Change Notification P-725.xCDEx
データシート
ドキュメント
User Manual P725UM0003
P-725.xCDE1S PIFOC Scanner System for Microscope Objectives
3D モデル
P-725.xCDE1S 3D Model
Ask for a free quote on quantities required, prices, and lead times or describe your desired modification.
PIFOC scanner system for microscope objectives; fast step-and-settle; 400 µm travel range; capacitive, direct position measuring; D-sub 7W2 (m) connector; 1.5 m cable length. System consisting of P-725.4CDE1 PIFOC scanner and E-709.1C1L controller.

















