PIFOC focus scanner for microscope objectives, high precision, fast step-and-settle, 100 µm, capacitive sensors, D-sub connector
P-725.xCDE2 PIFOC Focus Scanner for Microscope Objectives
Dynamic Scanning with Travel Ranges of 100 µm, 400 µm, or 800 µm
- Travel range 100 µm, 400 µm, or 800 µm
- Significantly faster response and longer lifetime than motorized drives
- Fine positioning of objectives with sub-nm resolution
- Direct position measuring with capacitive sensors: Highest linearity
- Large clear aperture with Ø 29 mm










Application fields
- Super-resolution microscopy
- Light disk microscopy
- Confocal microscopy
- 2-photon microscopy
- 3D imaging
- Screening
- Interferometry
- Measuring technology
- Autofocus systems
- Biotechnology
- Semiconductor inspection
Outstanding lifetime due to PICMA® piezo actuators
The PICMA® piezo actuators are all-ceramic insulated. This protects them against humidity and failure resulting from an increase in leakage current. PICMA® actuators offer an up to ten times longer lifetime than conventional polymer-insulated actuators. 100 billion cycles without a single failure are proven.
Subnanometer resolution with capacitive sensors
Capacitive sensors measure with subnanometer resolution without contacting. They guarantee excellent linearity of motion, long-term stability, and a bandwidth in the kHz range.
High guiding accuracy due to zero-play flexure guides
Flexure guides are free of maintenance, friction, and wear, and do not require lubrication. Their stiffness allows high load capacity and they are insensitive to shock and vibration. They work in a wide temperature range.
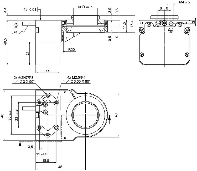
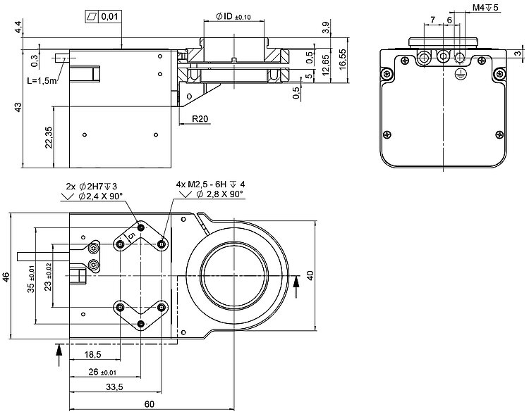
Specifications
Specifications
| Motion | P-725.1CDE2 | P-725.4CDE2 | P-725.8CDE2 | Tolerance |
|---|---|---|---|---|
| Active axes | Z | Z | Z | |
| Travel range in Z | 100 µm | 400 µm | 800 µm | +20 / -0 % |
| Travel range in Z, open loop | 120 µm | 420 µm | 840 µm | ±20 % |
| Linearity error in Z | < 0.03 % | < 0.03 % | < 0.03 % | |
| Angular error around X | ± 10 µrad | ± 10 µrad | ± 50 µrad | |
| Angular error around Y | ± 10 µrad | ± 45 µrad | ± 50 µrad | |
| Positioning | P-725.1CDE2 | P-725.4CDE2 | P-725.8CDE2 | Tolerance |
| Minimum incremental motion in Z | 1 nm | 4 nm | 5 nm | |
| Point repeatabilitiy, 10% step, 1 sigma | 10 nm | 10 nm | 50 nm | |
| Integrated sensor | Capacitive, direct position measuring | Capacitive, direct position measuring | Capacitive, direct position measuring | |
| Sensor noise, 1 sigma | 0.2 nm | 0.2 nm | 0.8 nm | |
| Position noise in Z | 0.1 nm | 0.1 nm | 0.4 nm | max. |
| Settling time for 10% step in Z | 14 ms | 22 ms | 39 ms | ±10 % |
| Drive Properties | P-725.1CDE2 | P-725.4CDE2 | P-725.8CDE2 | Tolerance |
| Drive type | PICMA® | PICMA® | PICMA® | |
| Electrical capacitance in Z | 3.2 µF | 6.4 µF | 12.8 µF | ±20 % |
| Mechanical Properties | P-725.1CDE2 | P-725.4CDE2 | P-725.8CDE2 | Tolerance |
| Stiffness in Z | 0.5 N/µm | 0.25 N/µm | 0.07 N/µm | ±20 % |
| Resonant frequency in Z, unloaded | 680 Hz | 400 Hz | 230 Hz | ±20 % |
| Resonant frequency in Z, under load with 150 g | 290 Hz | 175 Hz | 110 Hz | ±20 % |
| Permissible push force in Z | 100 N | 100 N | 100 N | max. |
| Permissible pull force in Z | 20 N | 20 N | 20 N | max. |
| Guide | Flexure guide with lever amplification | Flexure guide with lever amplification | Flexure guide with lever amplification | |
| Overall mass | 280 g | 280 g | 350 g | ±5 % |
| Material | Stainless steel, aluminum | Stainless steel, aluminum | Stainless steel, aluminum | |
| Objective diameter | 39 mm | 39 mm | 39 mm | max. |
| Miscellaneous | P-725.1CDE2 | P-725.4CDE2 | P-725.8CDE2 | Tolerance |
| Operating temperature range | 10 to 70 °C | 10 to 70 °C | 10 to 70 °C | |
| Connector | D-sub 7W2 (m) | D-sub 7W2 (m) | D-sub 7W2 (m) | |
| Cable length | 1.5 m | 1.5 m | 1.5 m | +50 / -0 mm |
| Recommended controllers / drivers | E-709.1C1L - economic choice, suitable for most use cases; E-754.1CD - high performance choice for highest precision | E-709.1C1L - economic choice, suitable for most use cases; E-754.1CD - high performance choice for highest precision | E-709.1C1L - economic choice, suitable for most use cases; E-754.1CD - high performance choice for highest precision |
Linearity error in Z: Under laboratory conditions, a digital controller makes it possible to reduce the linearity error even further.
Settling time: 1% error band, 150 g load
Position noise: 1 sigma
The objective is not included in the scope of delivery.
At PI, technical data is specified at 22 ±3 °C. Unless otherwise stated, the values are for unloaded conditions. Some properties are interdependent. The designation "typ." indicates a statistical average for a property; it does not indicate a guaranteed value for every product supplied. During the final inspection of a product, only selected properties are analyzed, not all. Please note that some product characteristics may deteriorate with increasing operating time.
Downloads
製品についての注意事項
Product Change Notification P-725.xCDEx
データシート
ドキュメント
Installation Instructions P725UM0002
Thread Adapters for P-725.xCDE2 PIFOC Focus Scanners and P-725.xCDE1S PIFOC Scanner Systems
3D モデル
3-D model P-725.xCDE2
パンフレット
P-725 PIFOC® Portfolio
Piezobased Objective Focus Drive Series
Ask for a free quote on quantities required, prices, and lead times or describe your desired modification.
PIFOC focus scanner for microscope objectives, high precision, fast step-and-settle, 400 µm, capacitive sensors, D-sub connector
PIFOC focus scanner for microscope objectives, high precision, fast step-and-settle, 800 µm, capacitive sensors, D-sub connector
見積取得方法
お問い合わせ
担当者よりお問合せにつきまして、すぐにご連絡をさせて頂きます。
応用事例

ゲノムシーケンス
Be it in medicine, forensics, or genetics - the genome is the key to new insights for numerous questions. The method known as sequencing-by-synthesis, which used to decipher the genome, has become faster and more precise since it was first developed — the cost has decreased, respectively. The positioning techniques employed in the microscope systems used for this purpose have also contributed to...

IsoView ライトシート顕微鏡
ライトシート顕微鏡は、ライフサイエンスやバイオテクノロジーにおいて潜在的巨大アプリケーションで魅力的な技術です。IsoViewは、この技術を見事に解釈したもので、特に大規模な検体で数時間にわたる高速の細胞動態をイメージングすることを目的としています。サンプル位置決めと対物レンズ駆動は、IsoView設計において大きな役割を担います

GATTAscope (TIRFM)
リニアステージはTIRF顕微鏡のレーザー光を調節します。2つのXYステージを組み合わせることでサンプルの正確なポジショニングが可能になります。

共焦点顕微鏡
共焦点顕微鏡は、焦点面を移動することにより試料表面の構造を検出するため、皮膚科などで使用されます。

オプティカルコヒーレンストモグラフィー
ピエゾアクチュエータとドライブ (PILine® OEMモータ) は、オプティカルコヒーレンストモグラフィー (OCT) に必要な高い精度と位置の安定性を保証します。

高速顕微鏡
今回初めてアーヘンの Fraunhofer Institute for Production Technology IPT の科学者達が産業環境の中で100パーセントの顕微鏡試験に成功しました。PI のピエゾベースの PIFOC® のドライブ システムがこの成功において決定的な役割を果たしました。























